Мы на связи пн-пт: 10:00 - 18:00

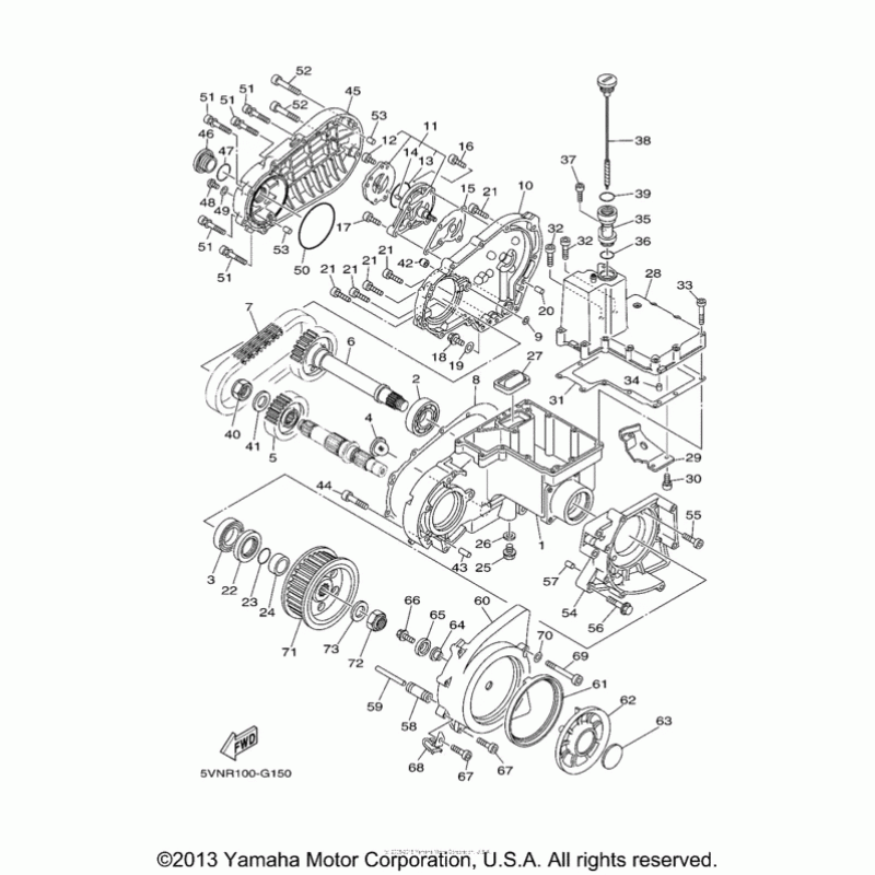
Схема узла: Промежуточная передача Yamaha XV1700 Road Star Midnight Silverado

Производители Yamaha
Код Товара: XV1700 Road Star Midnight Silverado
0грн.
Под заказ
Детализация узла Промежуточная передача Yamaha XV1700 Road Star Midnight Silverado.

Детали поставляются под заказ в соответствии с условиями поставки оригинальных запчастей.

Все детали оригальные, их совместимость гарантирована производителем при условии правильной идентификации модели, года выпуска и отсутсвия предварительной модификации узла владельцем мотоцикла.

Написать отзыв
Примечание: HTML разметка не поддерживается! Используйте обычный текст.

Нет отзывов об этом товаре.