Ми на зв'язку пн-пт: 10:00 - 18:00

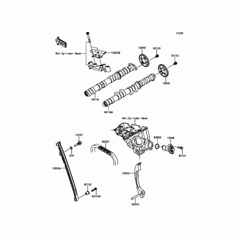
Схема вузла: Розподільний вал & Ланцюг ГРМ & Натягувач для Kawasaki ZX636 Ninja ZX-6R ABS KRT Edition

Виробники Kawasaki
Код товару: ZX636FHFA
4997грн.
Під замовлення
Деталізація вузла Розподільний вал & Ланцюг ГРМ & Натягувач для Kawasaki ZX636 Ninja ZX-6R ABS KRT Edition.

Деталі поставляються під замовлення, у відповідності з умовами поставки оригінальних запчастин.

Всі деталі оригінальні, їх сумісність з мотоциклом гарантована виробником за умови правильної ідентифікації моделі, року випуску та відсутності попередньої модифікації вузла власником.

Написати відгук
Примітка: HTML розмітка не підтримується! Використовуйте звичайний текст.

Немає відгуків про цей товар.

Model Наіменування Amount Кількість Доступність
12046 12046-0073 Звезда,32T 1808грн.
Під замовлення
12048 12048-1181 Натяжитель 3177грн.
Під замовлення
12053 12053-0085 GUIDE-CHAIN,RR 1588грн.
Під замовлення
12053 12053-0158 Направляющая - цепь, передняя 1090грн.
Під замовлення
12053 12053-0159 Направляющая - цепь, верхняя 504грн.
Під замовлення
13107 13107-0157 SHAFT,CHAIN GUIDE 221грн.
Під замовлення
49118 49118-0779 Распредвал 12608грн.
Під замовлення
49118 49118-0752 Распредвал 12608грн.
Під замовлення
670 670D1509 O RING 104грн.
Під замовлення
92043 92043-0114 PIN,7X36.4 69грн.
Під замовлення
92055 92055-086 Кольцо 114грн.
Під замовлення
92057 92057-1531 CHAIN,CAM 2924грн.
Під замовлення
92151 92151-1930 Болт 6X25 72грн.
Під замовлення
92152 92152-0413 Втулка 167грн.
Під замовлення
92153 92153-0455 BOLT,FLANGED,6X8 65грн.
Під замовлення
92153 92153-1640 BOLT,TORX,6X25 65грн.
Під замовлення