Ми на зв'язку пн-пт: 10:00 - 18:00

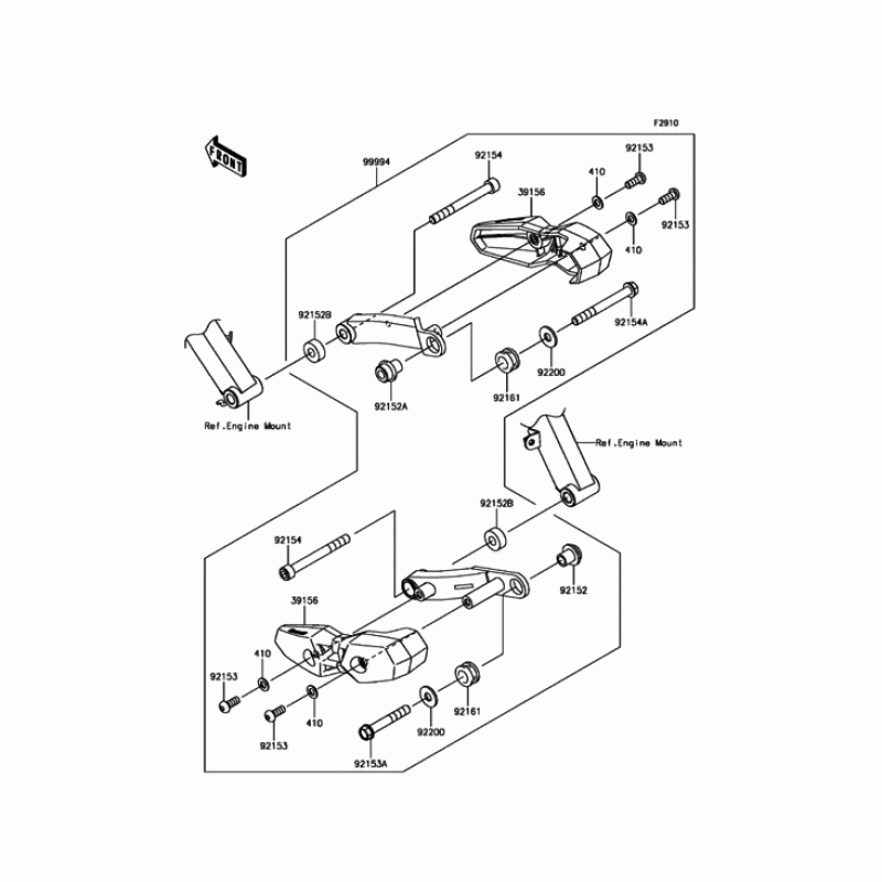
Схема вузла: Аксесуари для Kawasaki ZR1000 Z1000 ABS

Виробники Kawasaki
Код товару: ZR1000HHF
4526грн.
Під замовлення
Деталізація вузла Аксесуари для Kawasaki ZR1000 Z1000 ABS.

Деталі поставляються під замовлення, у відповідності з умовами поставки оригінальних запчастин.

Всі деталі оригінальні, їх сумісність з мотоциклом гарантована виробником за умови правильної ідентифікації моделі, року випуску та відсутності попередньої модифікації вузла власником.

Написати відгук
Примітка: HTML розмітка не підтримується! Використовуйте звичайний текст.

Немає відгуків про цей товар.

Model Наіменування Amount Кількість Доступність
39156 39156-1818 パツド 1128грн.
Під замовлення
410 410AB0800 WASHER,PLAIN,8MM 101грн.
Під замовлення
92152 92152-1520 Collar 295грн.
Під замовлення
92152 92152-1790 カラ- 279грн.
Під замовлення
92152 92152-1519 Collar 274грн.
Під замовлення
92153 92153-0912 BOLT,SOCKET,8X20 65грн.
Під замовлення
92153 92153-1931 BOLT,FLANGED,10X65 119грн.
Під замовлення
92154 92154-0448 Bolt 215грн.
Під замовлення
92154 92154-0447 Bolt 87грн.
Під замовлення
92161 92161-1361 Damper 178грн.
Під замовлення
92200 92200-0088 WASHER,10.5X26X2.3 65грн.
Під замовлення
99994 99994-0400 キツト 7928грн.
Під замовлення