Ми на зв'язку пн-пт: 10:00 - 18:00

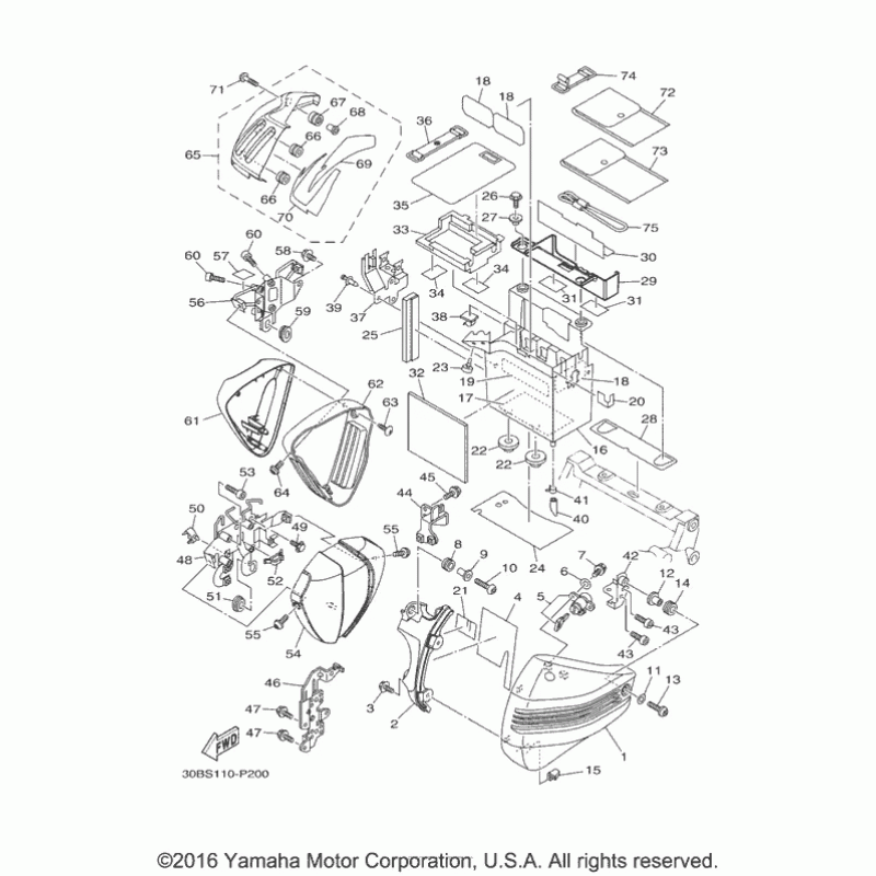
Схема вузла: Бічна кришка Yamaha XV1900 Raider

Виробники Yamaha
Код товару: XV1900 Raider
6595грн.
Під замовлення
Деталізація вузла Бічна кришка Yamaha XV1900 Raider.

Деталі поставляються під замовлення, у відповідності з умовами поставки оригінальних запчастин.

Всі деталі оригінальні, їх сумісність з мотоциклом гарантована виробником за умови правильної ідентифікації моделі, року випуску та відсутності попередньої модифікації вузла власником.

Написати відгук
Примітка: HTML розмітка не підтримується! Використовуйте звичайний текст.

Немає відгуків про цей товар.

Model Наіменування Amount Кількість Доступність
1 1D7-21711-00-P1 Крышка левая (SMX, чёрная) 5982грн.
Під замовлення
10 92014-06020-00 Болт 74грн.
Під замовлення
11 90201-06M01-00 Шайба 81грн.
Під замовлення
12 90560-06201-00 Втулка 82грн.
Під замовлення
13 90149-06023-00 Винт 143грн.
Під замовлення
14 90480-12007-00 Втулка демпфирующая 119грн.
Під замовлення
15 5PX-2171H-00-00 Втулка 133грн.
Під замовлення
16 1D7-2177G-02-00 Ящик аккумулятора 522грн.
Під замовлення
17 5C7-21779-00-00 Дэмпфер соединения 95грн.
Під замовлення
18 5PX-21652-00-00 Защита 271грн.
Під замовлення
19 5PX-21778-00-00 Демпфер 88грн.
Під замовлення
2 1D7-2117X-00-00 Крышка 9 374грн.
Під замовлення
20 5C7-2173N-00-00 Уплотнитель 153грн.
Під замовлення
21 5C7-21735-00-00 Уплотнитель 60грн.
Під замовлення
22 90480-20384-00 Втулка демпфирующая 105грн.
Під замовлення
23 1D7-2174X-00-00 Демпфер 143грн.
Під замовлення
24 1D7-2177N-01-00 Демпфер 4 626грн.
Під замовлення
25 1D7-21778-00-00 Демпфер 1 798грн.
Під замовлення
26 95022-06020-00 Болт 73грн.
Під замовлення
27 903-87062-67-00 Втулка 74грн.
Під замовлення
28 5C7-21747-00-00 Амортизатор 522грн.
Під замовлення
29 5C7-28173-00-00 Box, Tool 231грн.
Під замовлення
3 950-27060-20-00 Болт 69грн.
Під замовлення
3 95817-06014-00 Болт 60грн.
Під замовлення
3 90105-06020-00 Болт 61грн.
Під замовлення
30 5C7-2174Y-00-00 Амортизатор 105грн.
Під замовлення
31 5H0-8235Y-M0-00 Демпфер 84грн.
Під замовлення
31 3YL-12232-00-00 Демпфер 84грн.
Під замовлення
32 1D7-21732-00-00 Уплотнение 1 522грн.
Під замовлення
33 5PX-82129-00-00 Крышка 302грн.
Під замовлення
34 5JW-2139X-00-00 Демпфер 78грн.
Під замовлення
35 5VN-8412H-00-00 Крепление 466грн.
Під замовлення
36 7H3-82131-00-00 Ремень 226грн.
Під замовлення
36 120-82131-00-00 Ремень 226грн.
Під замовлення
37 1D7-2172K-00-00 Крепление 1 762грн.
Під замовлення
38 90464-25160-00 Скоба 169грн.
Під замовлення
39 902-69070-77-00 Фиксатор 81грн.
Під замовлення
4 1D7-21746-00-00 Демпфер 576грн.
Під замовлення
40 90445-11027-00 Трубка 81грн.
Під замовлення
41 90467-10135-00 Хомут 66грн.
Під замовлення
41 90467-11090-00 Хомут 66грн.
Під замовлення
42 1D7-2175T-00-00 Крепление 1 590грн.
Під замовлення
43 92012-06016-00 Болт 74грн.
Під замовлення
44 5C7-2172N-01-00 Bracket 4 626грн.
Під замовлення
45 95807-06014-00 Болт 61грн.
Під замовлення
46 5PX-2174E-01-00 Крепление крышки левое 558грн.
Під замовлення
47 95022-06012-00 Болт 70грн.
Під замовлення
48 5C7-2175V-00-00 Bracket 3 5305грн.
Під замовлення
49 95817-08035-00 Болт 60грн.
Під замовлення
49 95802-08035-00 Болт 61грн.
Під замовлення
5 5PX-W2470-00-00 Фиксатор сиденья 2104грн.
Під замовлення
50 90464-09130-00 Скоба 84грн.
Під замовлення
51 90480-01558-00 Втулка 74грн.
Під замовлення
52 90464-14001-00 Скоба 78грн.
Під замовлення
53 90110-06114-00 Болт 164грн.
Під замовлення
53 90110-06213-00 Болт 148грн.
Під замовлення
54 5C7-21731-10-00 Крышка боковая 6310грн.
Під замовлення
55 90149-06302-00 Винт 121грн.
Під замовлення
56 1D7-2175W-00-00 Крепление 4 2467грн.
Під замовлення
57 5C7-2173M-00-00 Уплотнитель 112грн.
Під замовлення
58 95022-06010-00 Болт 74грн.
Під замовлення
6 90201-06034-00 Шайба 84грн.
Під замовлення
61 5C7-21741-10-00 Крышка боковая 2145грн.
Під замовлення
62 1D7-2171D-00-00 Корпус крышки 589грн.
Під замовлення
63 90167-05077-00 Винт 78грн.
Під замовлення
64 90149-06022-00 Винт 82грн.
Під замовлення
65 5C7-17471-00-P3 Накладка моторчика 6595грн.
Під замовлення
66 90480-13007-00 Втулка демпфирующая 82грн.
Під замовлення
67 90480-13006-00 Втулка демпфирующая 128грн.
Під замовлення
68 90387-07007-00 Втулка 159грн.
Під замовлення
69 5C7-15379-00-00 Seal, Crankcase 590грн.
Під замовлення
7 999-99999-99-00 Not Available 0грн.
Недоступно до замовлення
7 95024-06016-00 Болт 74грн.
Під замовлення
7 90105-06639-00 Болт 74грн.
Під замовлення
70 5C7-15663-00-00 Уплотнитель 603грн.
Під замовлення
71 90110-06202-00 Болт 77грн.
Під замовлення
71 90111-06039-00 Болт 78грн.
Під замовлення
72 5C7-28100-00-00 Tool Kit 1397грн.
Під замовлення
73 5C7-28110-00-00 Tool Kit, 2 948грн.
Під замовлення
74 3TJ-82131-00-00 Ремень 250грн.
Під замовлення
75 4HC-21398-00-00 Крепление 907грн.
Під замовлення
8 90480-14329-00 Втулка 80грн.
Під замовлення
8 90480-14323-00 Втулка демпфирующая 81грн.
Під замовлення
9 90387-066Y6-00 Втулка 138грн.
Під замовлення