Ми на зв'язку пн-пт: 10:00 - 18:00

MT07/ MTT690 MT-07 Tracer(B7K1)


Деталізація вузла Пульт управління рульовий та Важель Yamaha MT07/ MTT690 MT-07 Tracer. Деталі поста..
1116грн.
немає відгуків
Деталізація вузла Радіатор та Патрубок системи охолодження Yamaha MT07/ MTT690 MT-07 Tracer. Деталі ..
12691грн.
немає відгуків
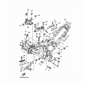
Деталізація вузла Рама Yamaha MT07/MTT690 MT-07 Tracer. Деталі поставляються під замовлення, у відпо..
1669грн.
немає відгуків
Деталізація вузла Розподільний вал та Ланцюг ГРМ Yamaha MT07/ MTT690 MT-07 Tracer. Деталі поставляют..
18051грн.
немає відгуків
Деталізація вузла Рульовий механізм Yamaha MT07/MTT690 MT-07 Tracer. Деталі поставляються під замовл..
5819грн.
немає відгуків
Деталізація вузла Сидіння Yamaha MT07/ MTT690 MT-07 Tracer. Деталі поставляються під замовлення, у в..
1868грн.
немає відгуків
Деталізація вузла Трансмісія Yamaha MT07/MTT690 MT-07 Tracer. Деталі поставляються під замовлення, у..
5778грн.
немає відгуків
Деталізація вузла Фільтр масляний Yamaha MT07/ MTT690 MT-07 Tracer. Деталі поставляються під замовле..
7537грн.
немає відгуків
Деталізація вузла Фара Yamaha MT07/MTT690 MT-07 Tracer. Деталі поставляються під замовлення, у відпо..
893грн.
немає відгуків
Показано з 41 до 49 з 49 (3 сторінок)