Ми на зв'язку пн-пт: 10:00 - 18:00

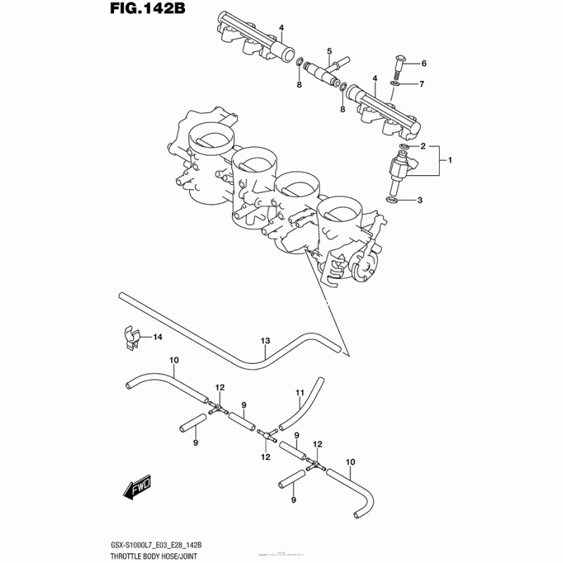
Схема вузла: Throttle Body Hose/Joint (Gsx-S1000Al7 E03) для Suzuki GSX-S1000

Виробники Suzuki
Код товару: GSX-S1000AL7
2860грн.
Під замовлення
Деталізація вузла Throttle Body Hose/Joint (Gsx-S1000Al7 E03) для Suzuki GSX-S1000.

Деталі поставляються під замовлення, у відповідності з умовами поставки оригінальних запчастин.

Всі деталі оригінальні, їх сумісність з мотоциклом гарантована виробником у випадку правильної ідентифікації моделі та року випуску, та відсутності попередньої модифікації вузла власником.

Написати відгук
Примітка: HTML розмітка не підтримується! Використовуйте звичайний текст.

Немає відгуків про цей товар.

Model Наіменування Amount Кількість Доступність
1 15710-04K00 INJECTOR ASSY 0грн.
Недоступно до замовлення
10 13681-39F00-100 HOSE(7.4X3.2X100) 0грн.
Недоступно до замовлення
11 09355-30705-600 HOSE(3X7X600) 157грн.
Під замовлення
11 09355-30001-600 Hose (7.4X3.2X135) 0грн.
Недоступно до замовлення
12 13685-02FA0 3WAY,VACUUM HOSE 115грн.
Під замовлення
13 13683-04K00 HOSE(7.4X3.2X350) 0грн.
Недоступно до замовлення
14 09408-00309 CLAMP 0грн.
Недоступно до замовлення
2 15717-58B00 O-RING 183грн.
Під замовлення
3 15722-14J00 SEAL 169грн.
Під замовлення
4 13473-08J00 PIPE,DELIVERY 0грн.
Недоступно до замовлення
5 13473-04K00 NIPPLE ASSY 0грн.
Недоступно до замовлення
6 13601-29G00 Болт 91грн.
Під замовлення
7 13602-29G01 Packing 0грн.
Недоступно до замовлення
7 13602-29G00 PACKING 74грн.
Під замовлення
8 15721-08J00 O RING 184грн.
Під замовлення
9 13681-39F00-035 HOSE(7.4X3.2X35) 0грн.
Недоступно до замовлення