Ми на зв'язку пн-пт: 10:00 - 18:00

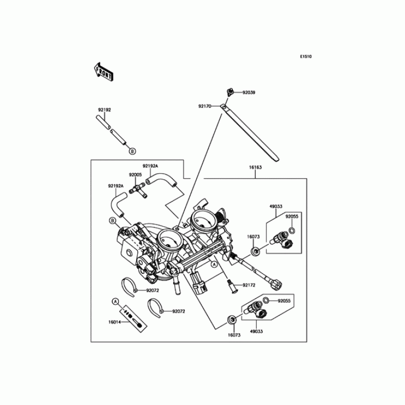
Схема вузла: Throttle для Kawasaki EX650 Ninja 650 ABS

Виробники Kawasaki
Код товару: EX650KHF
1370грн.
Під замовлення
Деталізація вузла Throttle для Kawasaki EX650 Ninja 650 ABS.

Деталі поставляються під замовлення, у відповідності з умовами поставки оригінальних запчастин.

Всі деталі оригінальні, їх сумісність з мотоциклом гарантована виробником за умови правильної ідентифікації моделі, року випуску та відсутності попередньої модифікації вузла власником.

Написати відгук
Примітка: HTML розмітка не підтримується! Використовуйте звичайний текст.

Немає відгуків про цей товар.

Model Наіменування Amount Кількість Доступність
16014 16014-0002 Винт 554грн.
Під замовлення
16073 16073-0129 Изолятор 118грн.
Під замовлення
16163 16163-0877 THROTTLE-ASSY 23556грн.
Під замовлення
49033 49033-0042 NOZZLE-INJECTION 2427грн.
Під замовлення
92005 92005-0730 FITTING,3WAY 301грн.
Під замовлення
92039 92039-0707 リベツト 65грн.
Під замовлення
92055 92055-0124 RING-O,INJECTION NOZZ 71грн.
Під замовлення
92072 92072-0012 Лента проводки 101грн.
Під замовлення
92170 92170-1114 CLAMP 172грн.
Під замовлення
92172 92172-0064 Винт трубы 69грн.
Під замовлення
92192 92192-0977 TUBE,3X6.7X300 101грн.
Під замовлення
92192 92192-1045 TUBE 119грн.
Під замовлення