Warning: unlink(/home/allmoto/web/allmoto.parts/storage/cache/cache.catalog.language.1779984342): No such file or directory in /home/allmoto/web/allmoto.parts/public_html/system/library/cache/file.php on line 68 ER650 Z650 (ER650GHF)
Ми на зв'язку пн-пт: 10:00 - 18:00

ER650 Z650 (ER650GHF)


Деталізація вузла Balancer для Kawasaki ER650 Z650. Деталі поставляються під замовлення, у відповідн..
7155грн.
немає відгуків
Деталізація вузла Decals (Black) для Kawasaki ER650 Z650. Деталі поставляються під замовлення, у від..
0грн.
немає відгуків
Деталізація вузла Decals (White) для Kawasaki ER650 Z650. Деталі поставляються під замовлення, у від..
0грн.
немає відгуків
Деталізація вузла Engine Cover(S) для Kawasaki ER650 Z650. Деталі поставляються під замовлення, у ві..
0грн.
немає відгуків
Деталізація вузла Front Fender(S) для Kawasaki ER650 Z650. Деталі поставляються під замовлення, у ві..
0грн.
немає відгуків
Деталізація вузла Fuel Evaporative System (Ca) для Kawasaki ER650 Z650. Деталі поставляються під зам..
36262грн.
немає відгуків
Деталізація вузла Fuel Injection для Kawasaki ER650 Z650. Деталі поставляються під замовлення, у від..
0грн.
немає відгуків
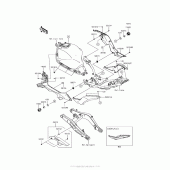
Деталізація вузла Gear Change Drum/shift Fork(S) для Kawasaki ER650 Z650. Деталі поставляються під з..
0грн.
немає відгуків
Деталізація вузла Headlight(S) для Kawasaki ER650 Z650. Деталі поставляються під замовлення, у відпо..
0грн.
немає відгуків
Деталізація вузла Ignition Switch/locks/reflectors для Kawasaki ER650 Z650. Деталі поставляються під..
1608грн.
немає відгуків
Деталізація вузла Ignition System для Kawasaki ER650 Z650. Деталі поставляються під замовлення, у ві..
0грн.
немає відгуків
Деталізація вузла Meter(S) для Kawasaki ER650 Z650. Деталі поставляються під замовлення, у відповідн..
9853грн.
немає відгуків
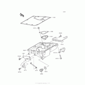
Деталізація вузла Oil Pan для Kawasaki ER650 Z650. Деталі поставляються під замовлення, у відповідно..
0грн.
немає відгуків
Деталізація вузла Publications для Kawasaki ER650 Z650. Деталі поставляються під замовлення, у відпо..
0грн.
немає відгуків
Деталізація вузла Rear Fender(S) для Kawasaki ER650 Z650. Деталі поставляються під замовлення, у від..
0грн.
немає відгуків
Деталізація вузла Shroud для Kawasaki ER650 Z650. Деталі поставляються під замовлення, у відповіднос..
0грн.
немає відгуків
Деталізація вузла Side Covers/chain Cover для Kawasaki ER650 Z650. Деталі поставляються під замовлен..
0грн.
немає відгуків
Деталізація вузла Stand(S) для Kawasaki ER650 Z650. Деталі поставляються під замовлення, у відповідн..
0грн.
немає відгуків
Деталізація вузла Starter Motor для Kawasaki ER650 Z650. Деталі поставляються під замовлення, у відп..
0грн.
немає відгуків
Деталізація вузла Taillight(S) для Kawasaki ER650 Z650. Деталі поставляються під замовлення, у відпо..
1641грн.
немає відгуків
Показано з 1 до 20 з 73 (4 сторінок)