Ми на зв'язку пн-пт: 10:00 - 18:00

XVS950 V-Star Tourer(26SN)


Деталізація вузла Фара Yamaha XVS950 V-Star Tourer. Деталі поставляються під замовлення, у відповідн..
11669грн.
немає відгуків
Деталізація вузла Циліндр Yamaha XVS950 V-Star Tourer. Деталі поставляються під замовлення, у відпов..
26273грн.
немає відгуків
Деталізація вузла Электрооборудование 1 Yamaha XVS950 V-Star Tourer. Деталі поставляються під замовл..
21651грн.
немає відгуків
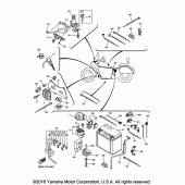
Деталізація вузла Электрооборудование 2 Yamaha XVS950 V-Star Tourer. Деталі поставляються під замовл..
19810грн.
немає відгуків
Показано з 41 до 44 з 44 (3 сторінок)