Warning: unlink(/home/allmoto/web/allmoto.parts/storage/cache/cache.product.ocfilter.counter.1.51f48c4980b081322d7d259f5110cdb0.1773095979): No such file or directory in /home/allmoto/web/allmoto.parts/public_html/system/library/cache/file.php on line 17 Схема вузла: Система вентиляції бензобака (Dl650Xal6 E33) для Suzuki DL650 V-Strom
Ми на зв'язку пн-пт: 10:00 - 18:00

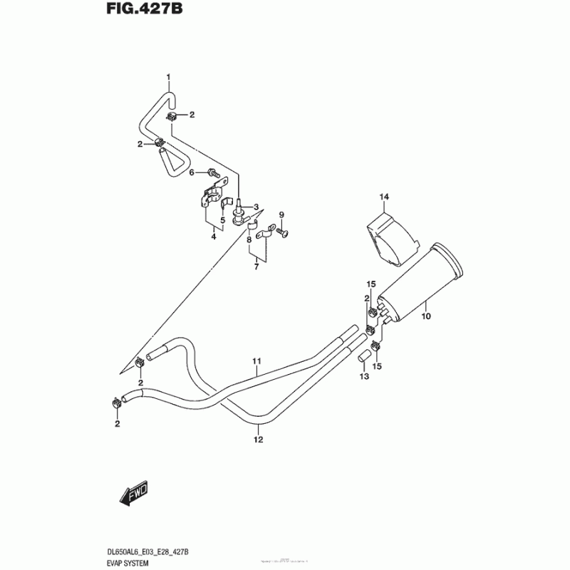
Схема вузла: Система вентиляції бензобака (Dl650Xal6 E33) для Suzuki DL650 V-Strom

Виробники Suzuki
Код товару: DL650AL6 (2016)
3195грн.
Під замовлення
Деталізація вузла Система вентиляції бензобака (Dl650Xal6 E33) для Suzuki DL650 V-Strom.

Деталі поставляються під замовлення, у відповідності з умовами поставки оригінальних запчастин.

Всі деталі оригінальні, їх сумісність з мотоциклом гарантована виробником у випадку правильної ідентифікації моделі та року випуску, та відсутності попередньої модифікації вузла власником.

Написати відгук
Примітка: HTML розмітка не підтримується! Використовуйте звичайний текст.

Немає відгуків про цей товар.

Model Наіменування Amount Кількість Доступність
1 44434-11J00 HOSE,TANK & BREATHER VALVE 0грн.
Недоступно до замовлення
10 17210-15H00 Адсорбер с активированным углем 0грн.
Недоступно до замовлення
11 18561-11J00 HOSE,CSTR PURGE 0грн.
Недоступно до замовлення
12 18563-11J00 HOSE,CSTR SURGE 0грн.
Недоступно до замовлення
13 09251-07003 КРЫШКА ВОЗДУШНОГО ФИЛЬТРА 71грн.
Під замовлення
14 44883-06G00 CUSHION,CANISTER 0грн.
Недоступно до замовлення
15 09401-12404 Крепёж 74грн.
Під замовлення
2 09401-11413 CLIP 58грн.
Під замовлення
3 44240-17C00 VALVE,FUEL TANK BREATHER 0грн.
Недоступно до замовлення
4 44890-06G00 PLATE,BREATHER VALVE 0грн.
Недоступно до замовлення
5 44894-24A00 CUSHION 74грн.
Під замовлення
6 01550-0612B БОЛТ 56грн.
Під замовлення
7 44892-24A00 PLATE,FUEL TANK BREATHER NO.2 0грн.
Недоступно до замовлення
9 02142-0408B Винт 56грн.
Під замовлення