Ми на зв'язку пн-пт: 10:00 - 18:00

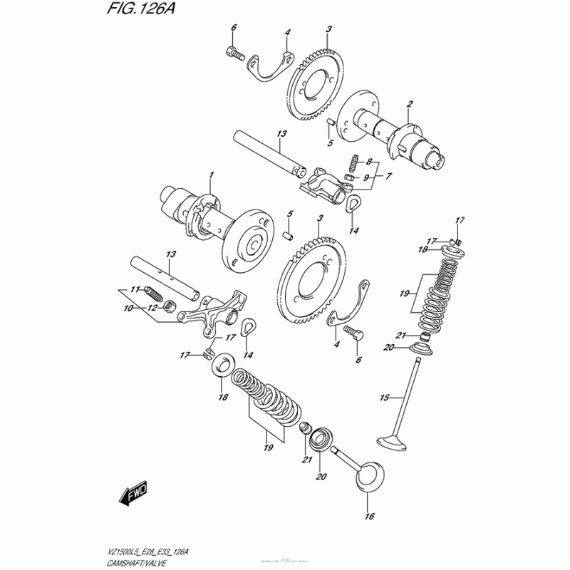
Схема вузла: Розподільний вал & Клапан для Suzuki VZ1500 Boulevard M90

Виробники Suzuki
Код товару: VZ1500L5
849грн.
Під замовлення
Деталізація вузла Розподільний вал & Клапан для Suzuki VZ1500 Boulevard M90.

Деталі поставляються під замовлення, у відповідності з умовами поставки оригінальних запчастин.

Всі деталі оригінальні, їх сумісність з мотоциклом гарантована виробником у випадку правильної ідентифікації моделі та року випуску, та відсутності попередньої модифікації вузла власником.

Написати відгук
Примітка: HTML розмітка не підтримується! Використовуйте звичайний текст.

Немає відгуків про цей товар.

Model Наіменування Amount Кількість Доступність
1 12710-40H00 CAMSHAFT,FR 0грн.
Недоступно до замовлення
10 12850-40H00 ARM,VALVE ROCKER EXHAUST 0грн.
Недоступно до замовлення
13 12861-40H00 SHAFT,VALVE ROCKER ARM 0грн.
Недоступно до замовлення
14 09164-12018 Шайба 61грн.
Під замовлення
15 12911-40H00 Клапан впуска 0грн.
Недоступно до замовлення
16 12912-40H00 VALVE,EXHAUST 0грн.
Недоступно до замовлення
17 12932-24400 Сухарь 0грн.
Недоступно до замовлення
18 12931-33201 Фиксатор 0грн.
Недоступно до замовлення
19 12920-32E00 SPRING SET,VALVE 0грн.
Недоступно до замовлення
2 12730-40H10 CAMSHAFT,RR 0грн.
Недоступно до замовлення
2 12730-40H00 CAMSHAFT,RR 0грн.
Недоступно до замовлення
20 12933-81400 Пружина 102грн.
Під замовлення
21 09289-05015 МАСЛОСЪЕМНЫЙ КОЛПАЧОК 224грн.
Під замовлення
3 12741-41F00 SPROCKET,CAMSHAFT 857грн.
Під замовлення
4 12747-44001 Шайба 94грн.
Під замовлення
5 04221-05109 ШПОНКА РАСПРЕДВАЛА 56грн.
Під замовлення
6 09100-06169 BOLT(6X12.5) 64грн.
Під замовлення
7 12840-40H00 ARM,VALVE ROCKER INTAKE 0грн.
Недоступно до замовлення
8 12842-38A00 Болт 0грн.
Недоступно до замовлення
9 12843-32400 Гайка 0грн.
Недоступно до замовлення