Ми на зв'язку пн-пт: 10:00 - 18:00

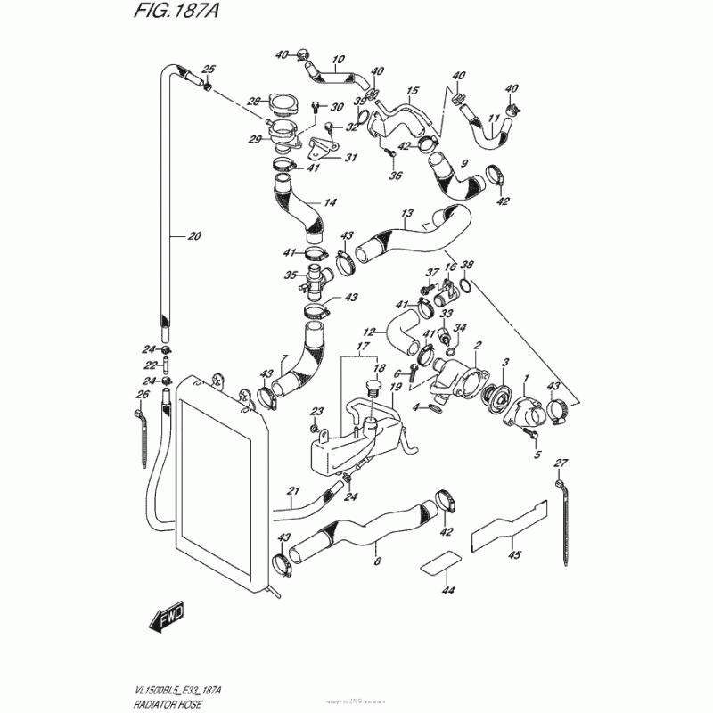
Схема вузла: Патрубок системи охолодження для Suzuki VL1500 Boulevard C90 BOSS

Виробники Suzuki
Код товару: VL1500BL5
894грн.
Під замовлення
Деталізація вузла Патрубок системи охолодження для Suzuki VL1500 Boulevard C90 BOSS.

Деталі поставляються під замовлення, у відповідності з умовами поставки оригінальних запчастин.

Всі деталі оригінальні, їх сумісність з мотоциклом гарантована виробником у випадку правильної ідентифікації моделі та року випуску, та відсутності попередньої модифікації вузла власником.

Написати відгук
Примітка: HTML розмітка не підтримується! Використовуйте звичайний текст.

Немає відгуків про цей товар.

Model Наіменування Amount Кількість Доступність
1 17661-48G10 Крышка термостата 655грн.
Під замовлення
10 17854-40H00 HOSE,WATER BYPASS UPR 0грн.
Недоступно до замовлення
11 17855-40H00 HOSE,WATER BYPASS LWR 0грн.
Недоступно до замовлення
12 17856-40H00 HOSE,RR CYLINDER HEAD OUTLET 0грн.
Недоступно до замовлення
13 17857-40H10 HOSE,THERMOSTAT OUTLET 0грн.
Недоступно до замовлення
14 17858-40H00 HOSE,CONDUCTION 0грн.
Недоступно до замовлення
15 17860-40H00 PIPE,CYLINDER WATER INLET 0грн.
Недоступно до замовлення
16 17890-06G20 Болт соединяющий 260грн.
Під замовлення
17 17910-40H00 TANK ASSY,RESERVOIR 0грн.
Недоступно до замовлення
18 17931-02FA0 КРЫШКА БАЧКА РАСШИРИТЕЛЬНОГО 199грн.
Під замовлення
19 17982-40H00 HOSE,RESERVOIR TANK OVFL 0грн.
Недоступно до замовлення
2 17662-40H00 CONNECTOR,THERMOSTAT INLET 0грн.
Недоступно до замовлення
20 17981-40H00 HOSE,RESERVOIR TANK INLET 0грн.
Недоступно до замовлення
21 09352-50901-600 HOSE(5X9X600) 0грн.
Недоступно до замовлення
22 09364-06005 Болт соединяющий 92грн.
Під замовлення
23 09111-06085 БОЛТ 91грн.
Під замовлення
24 09401-08411 ХОМУТ МАЛЫЙ 58грн.
Під замовлення
25 09401-10411 CLIP 62грн.
Під замовлення
26 09407-14403 КЛЕММА 80грн.
Під замовлення
27 09407-19401 Хомут 84грн.
Під замовлення
28 17730-14G00 Крышка радиатора 416грн.
Під замовлення
29 17791-14G00 CONDUCTION,RADIATOR 504грн.
Під замовлення
3 17670-06G51 Thermostat Comp,water 901грн.
Під замовлення
3 17670-06G50 THERMOSTAT,WATER 902грн.
Під замовлення
30 01547-0512A Болт 57грн.
Під замовлення
31 17792-40H00 BRACKET,CONDUCTION 0грн.
Недоступно до замовлення
32 01547-0612A БОЛТ 56грн.
Під замовлення
33 13650-49X00 SENSOR,TEMP 0грн.
Недоступно до замовлення
34 09168-12017 ПРОКЛАДКА РЕДУКТОРА 62грн.
Під замовлення
35 17891-48G00 JOINT,3 WAY 275грн.
Під замовлення
36 09103-06274 БОЛТ 61грн.
Під замовлення
37 07130-0612A Болт 61грн.
Під замовлення
39 09280-26005 КОЛЬЦО УПЛОТНИТЕЛЬНОЕ 77грн.
Під замовлення
4 09280-18009 КОЛЬЦО УПЛОТНИТЕЛЬНОЕ 320грн.
Під замовлення
4 09280-18008 O RING 81грн.
Під замовлення
40 09401-12414 CLIP 74грн.
Під замовлення
41 09402-32512 КОЛЬЦО 137грн.
Під замовлення
42 09402-38512 ХОМУТ РУЛ. НАК. 148грн.
Під замовлення
43 09402-35501 CLAMP 163грн.
Під замовлення
44 63131-10F00 TAPE,RR FENDER 210грн.
Під замовлення
45 17912-06J00 CUSHION,RESERVOIR TANK HOSE 0грн.
Недоступно до замовлення
5 01547-0620A Болт 57грн.
Під замовлення
6 01547-0625A БОЛТ 58грн.
Під замовлення
7 17851-40H10 HOSE,RADIATOR INLET 0грн.
Недоступно до замовлення
8 17852-40H10 HOSE,RADIATOR OUTLET 0грн.
Недоступно до замовлення
9 17853-40H00 HOSE,CYLINDER INLET 0грн.
Недоступно до замовлення