Ми на зв'язку пн-пт: 10:00 - 18:00

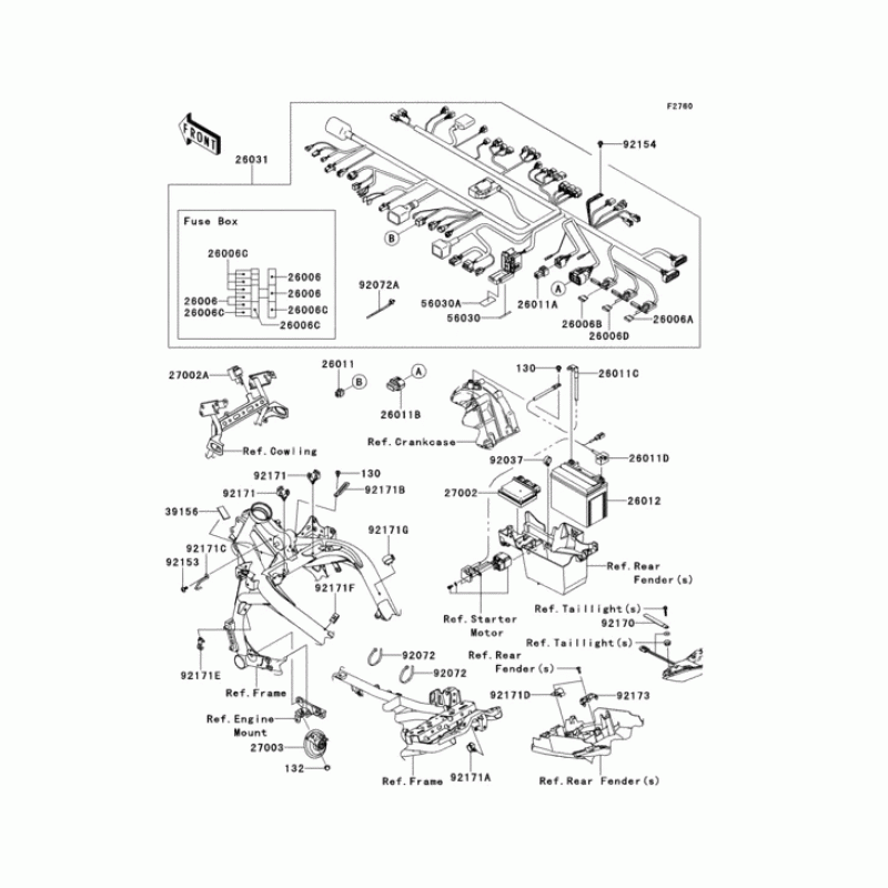
Схема вузла: Електроустаткування для Kawasaki KLE650 Versys 650 ABS

Виробники Kawasaki
Код товару: KLE650DEF
8544грн.
Під замовлення
Деталізація вузла Електроустаткування для Kawasaki KLE650 Versys 650 ABS.

Деталі поставляються під замовлення, у відповідності з умовами поставки оригінальних запчастин.

Всі деталі оригінальні, їх сумісність з мотоциклом гарантована виробником за умови правильної ідентифікації моделі, року випуску та відсутності попередньої модифікації вузла власником.

Написати відгук
Примітка: HTML розмітка не підтримується! Використовуйте звичайний текст.

Немає відгуків про цей товар.

Model Наіменування Amount Кількість Доступність
130 130BA0610 BOLT-FLANGED,6X10 58грн.
Під замовлення
132 132BB0812 BOLT-FLANGED-SMALL 69грн.
Під замовлення
26006 26006-1006 Ограничитель,30A-G 115грн.
Під замовлення
26006 26006-1067 FUSE,BLADE,30A,GREEN 0грн.
Недоступно до замовлення
26006 26006-0012 ヒユ-ズ 124грн.
Під замовлення
26011 26011-0301 WIRE-LEAD,BATTERY(-) 612грн.
Під замовлення
26011 26011-0302 WIRE-LEAD,BATTERY(+) 1024грн.
Під замовлення
26011 26011-0101 WIRE-LEAD,SENSOR CONN 366грн.
Під замовлення
26011 26011-0271 WIRE-LEAD,CAP 290грн.
Під замовлення
26011 26011-0275 Проволочный вывод 274грн.
Під замовлення
26012 26012-0606 FTX12-BS,12V 10AH 12337грн.
Під замовлення
26012 XFFTX12BS Аккумулятор 11906грн.
Під замовлення
26031 26031-0957 HARNESS,MAIN 28707грн.
Під замовлення
26031 26031-1684 HARNESS,MAIN 27364грн.
Під замовлення
27002 27002-1097 RELAY-ASSY,SIGNAL LAM 1236грн.
Під замовлення
27002 27002-0025 RELAY-ASSY 3692грн.
Під замовлення
27002 27002-0007 Реле 3983грн.
Під замовлення
27003 27003-0076 HORN 1701грн.
Під замовлення
56030 56030-0360 LABEL,FUSE BOX 106грн.
Під замовлення
56030 56030-0419 LABEL,FUSE BOX 112грн.
Під замовлення
92037 92037-1827 CLAMP,HOSE 172грн.
Під замовлення
92072 92072-1414 BAND 79грн.
Під замовлення
92072 92072-1197 BAND 172грн.
Під замовлення
92153 92153-1446 BOLT,SOCKET,6X14 61грн.
Під замовлення
92154 92154-1050 BOLT,FLANGED,6X12 58грн.
Під замовлення
92170 92170-1925 CLAMP 83грн.
Під замовлення
92171 92171-1415 Струбцина шланга,DIA=13 69грн.
Під замовлення
92171 92171-1424 Струбцина DIA=15 94грн.
Під замовлення
92171 92171-0069 CLAMP 72грн.
Під замовлення
92171 92171-0462 Струбцина 104грн.
Під замовлення
92171 92171-1559 Струбцина DIA=25 115грн.
Під замовлення
92171 92171-0316 CLAMP,BRAKE HOSE 101грн.
Під замовлення
92171 92171-0657 Струбцина проводки 135грн.
Під замовлення
92171 92171-0953 CLAMP,LEAD WIRE 242грн.
Під замовлення
92173 92173-0218 CLAMP,FUSE BOX 258грн.
Під замовлення