Ми на зв'язку пн-пт: 10:00 - 18:00

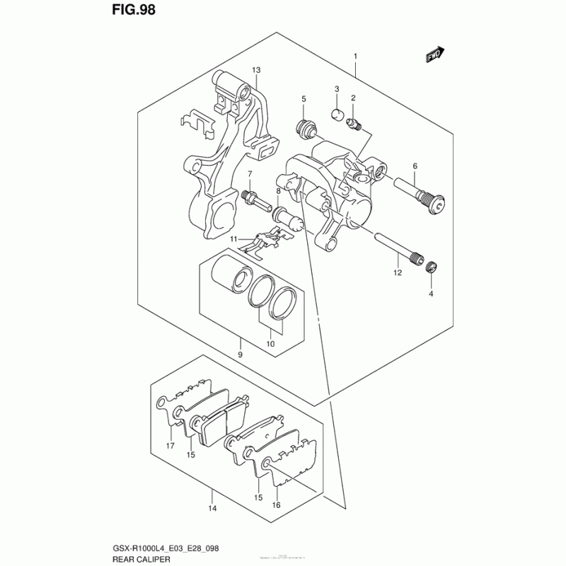
Схема вузла: Задній гальмівний супорт для Suzuki GSX-R1000

Виробники Suzuki
Код товару: GSX-R1000L4
8423грн.
Під замовлення
Деталізація вузла Задній гальмівний супорт для Suzuki GSX-R1000.

Деталі поставляються під замовлення, у відповідності з умовами поставки оригінальних запчастин.

Всі деталі оригінальні, їх сумісність з мотоциклом гарантована виробником у випадку правильної ідентифікації моделі та року випуску, та відсутності попередньої модифікації вузла власником.

Написати відгук
Примітка: HTML розмітка не підтримується! Використовуйте звичайний текст.

Немає відгуків про цей товар.

Model Наіменування Amount Кількість Доступність
1 69100-47H00-999 CALIPER ASSY,RR 0грн.
Недоступно до замовлення
10 69100-13810 SEAL SET,PISTON 247грн.
Під замовлення
11 69115-47H00 Пружина втулки 165грн.
Під замовлення
12 69141-40F00 PIN,PAD 252грн.
Під замовлення
13 69150-47H00 BRACKET,RR 3745грн.
Під замовлення
14 69100-47820 КОЛОДКИ ТОРМОЗНЫЕ ВМЕСТЕ С ПЛАСТИНАМИ 3152грн.
Під замовлення
15 69132-47H00 Изолятор 382грн.
Під замовлення
16 69133-47H00 RETAINER,PAD 268грн.
Під замовлення
17 69134-47H00 RETAINER,PAD 268грн.
Під замовлення
2 59121-01A00 BLEEDER 0грн.
Недоступно до замовлення
3 59122-46H00 CAP,BLEEDER 0грн.
Недоступно до замовлення
4 59146-21E10 PLUG,PIN 0грн.
Недоступно до замовлення
5 59303-14500 Ботинок 0грн.
Недоступно до замовлення
6 59305-36E00 Стопор 0грн.
Недоступно до замовлення
7 59382-14500 PIN,BOLT 0грн.
Недоступно до замовлення
8 59386-13A00 Ботинок 0грн.
Недоступно до замовлення
9 69100-47810 PISTON SET 1005грн.
Під замовлення