Ми на зв'язку пн-пт: 10:00 - 18:00

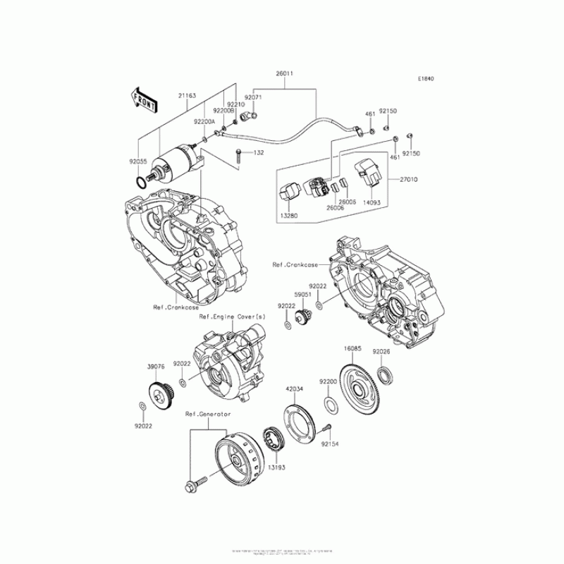
Схема вузла: Starter Motor для Kawasaki BR250 Z250SL ABS

Виробники Kawasaki
Код товару: BR250FEF
2670грн.
Під замовлення
Деталізація вузла Starter Motor для Kawasaki BR250 Z250SL ABS.

Деталі поставляються під замовлення, у відповідності з умовами поставки оригінальних запчастин.

Всі деталі оригінальні, їх сумісність з мотоциклом гарантована виробником за умови правильної ідентифікації моделі, року випуску та відсутності попередньої модифікації вузла власником.

Написати відгук
Примітка: HTML розмітка не підтримується! Використовуйте звичайний текст.

Немає відгуків про цей товар.

Model Наіменування Amount Кількість Доступність
13193 13193-0007 Односторонний подшипник обгонной муфты 2574грн.
Під замовлення
132 132BC0630 BOLT-FLANGED-SMALL,6X 61грн.
Під замовлення
13280 13280-0710 HOLDER 295грн.
Під замовлення
14093 14093-0199 COVER 419грн.
Під замовлення
16085 16085-0613 GEAR 4854грн.
Під замовлення
21163 21163-0739 STARTER-ELECTRIC 9173грн.
Під замовлення
26006 26006-1006 Ограничитель,30A-G 115грн.
Під замовлення
26011 26011-0890 WIRE-LEAD 562грн.
Під замовлення
27010 27010-0754 SWITCH 3093грн.
Під замовлення
39076 39076-0020 LIMITER,STARTER IDLE 4178грн.
Під замовлення
42034 42034-0048 Соединение 2632грн.
Під замовлення
461 461DB0600 Шайба пружины 58грн.
Під замовлення
59051 59051-0743 GEAR-SPUR,IDLER 1975грн.
Під замовлення
92022 92022-1649 Шайба 101грн.
Під замовлення
92026 92026-0762 SPACER 467грн.
Під замовлення
92055 92055-0822 RING-O 216грн.
Під замовлення
92071 92071-0024 Уплотнительная резинка 194грн.
Під замовлення
92150 92150-1864 BOLT,SPROCKET,6X10 97грн.
Під замовлення
92150 92150-1577 BOLT,6X10 94грн.
Під замовлення
92154 92154-0235 Болт ,6X16 69грн.
Під замовлення
92200 92200-1679 WASHER 58грн.
Під замовлення
92200 92200-1678 WASHER 90грн.
Під замовлення
92200 92200-0908 WASHER,27.2X44X1 129грн.
Під замовлення
92210 92210-0941 NUT,6MM 102грн.
Під замовлення