Ми на зв'язку пн-пт: 10:00 - 18:00

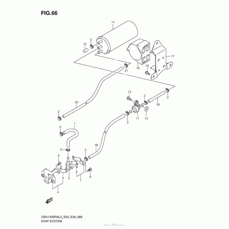
Схема вузла: Система вентиляції бензобака (Gsx1300Ral3 E33) для Suzuki GSX1300 Hayabusa

Виробники Suzuki
Код товару: GSX1300RAL3
3195грн.
Під замовлення
Деталізація вузла Система вентиляції бензобака (Gsx1300Ral3 E33) для Suzuki GSX1300 Hayabusa.

Деталі поставляються під замовлення, у відповідності з умовами поставки оригінальних запчастин.

Всі деталі оригінальні, їх сумісність з мотоциклом гарантована виробником у випадку правильної ідентифікації моделі та року випуску, та відсутності попередньої модифікації вузла власником.

Написати відгук
Примітка: HTML розмітка не підтримується! Використовуйте звичайний текст.

Немає відгуків про цей товар.

Model Наіменування Amount Кількість Доступність
1 44434-15H00 HOSE,TANK & BREATHER VALVE 0грн.
Недоступно до замовлення
10 44435-15H10 HOSE,BRTHR VALVE & 2 WAY 0грн.
Недоступно до замовлення
11 44240-24F00 Клапан 749грн.
Під замовлення
12 09160-06077 Шайба (6.5X20X1.2) 58грн.
Під замовлення
13 01550-0616B БОЛТ 56грн.
Під замовлення
14 17210-15H00 Адсорбер с активированным углем 0грн.
Недоступно до замовлення
15 09251-07005 CAP 0грн.
Недоступно до замовлення
16 44883-06G00 CUSHION,CANISTER 0грн.
Недоступно до замовлення
17 44880-15H00 BRACKET,CANISTER 0грн.
Недоступно до замовлення
18 01550-0612B БОЛТ 56грн.
Під замовлення
19 44437-15H10 HOSE,2 WAY & CSTR 0грн.
Недоступно до замовлення
2 09401-11413 CLIP 58грн.
Під замовлення
20 09359-54113-700 HOSE 0грн.
Недоступно до замовлення
21 09401-12404 Крепёж 74грн.
Під замовлення
3 44240-17C00 VALVE,FUEL TANK BREATHER 0грн.
Недоступно до замовлення
4 44890-24F00 PLATE,TANK BREATHER VALVE 0грн.
Недоступно до замовлення
5 44894-24A00 CUSHION 74грн.
Під замовлення
6 02142-0610B Винт держатель 57грн.
Під замовлення
7 44892-24A00 PLATE,FUEL TANK BREATHER NO.2 0грн.
Недоступно до замовлення
9 02142-0408B Винт 56грн.
Під замовлення