Ми на зв'язку пн-пт: 10:00 - 18:00

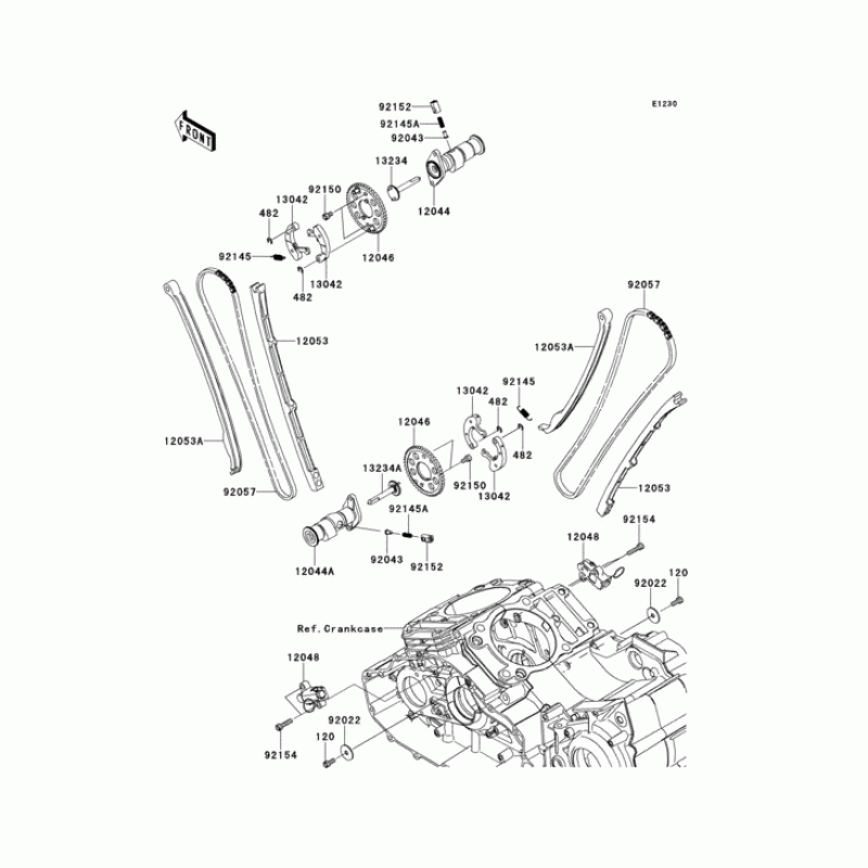
Схема вузла: Розподільний вал & Ланцюг ГРМ & Натягувач для Kawasaki VN1700 VN1700 Classic Tourer ABS

Виробники Kawasaki
Код товару: VN1700DCF
0грн.
Під замовлення
Деталізація вузла Розподільний вал & Ланцюг ГРМ & Натягувач для Kawasaki VN1700 VN1700 Classic Tourer ABS.

Деталі поставляються під замовлення, у відповідності з умовами поставки оригінальних запчастин.

Всі деталі оригінальні, їх сумісність з мотоциклом гарантована виробником за умови правильної ідентифікації моделі, року випуску та відсутності попередньої модифікації вузла власником.

Написати відгук
Примітка: HTML розмітка не підтримується! Використовуйте звичайний текст.

Немає відгуків про цей товар.

Model Наіменування Amount Кількість Доступність
120 120CA0614 Болт ,6X14 101грн.
Під замовлення
12044 12044-0135 Распределительный, клапан задний 15065грн.
Під замовлення
12044 12044-0134 Распределительный вал, клапан передний 15065грн.
Під замовлення
12046 12046-0064 Звезда коленвала,46T 2248грн.
Під замовлення
12048 12048-0053 TENSIONER-ASSY,CAM CH 4598грн.
Під замовлення
12053 12053-0120 GUIDE-CHAIN,FIXED SID 810грн.
Під замовлення
12053 12053-0121 GUIDE-CHAIN,TENSIONER 3028грн.
Під замовлення
13042 13042-0028 WEIGHT,DECOMP 854грн.
Під замовлення
13234 13234-0041 SHAFT-COMP,RR CAMSHAF 1062грн.
Під замовлення
13234 13234-0040 SHAFT-COMP,FR CAMSHAF 1062грн.
Під замовлення
482 482J5000 Кольцо стопорное E 94грн.
Під замовлення
92022 92022-1282 Шайба,7X28X1.6 104грн.
Під замовлення
92022 92022-227 WASHER,7X28X1.6 0грн.
Недоступно до замовлення
92043 92043-0163 PIN 167грн.
Під замовлення
92057 92057-0154 CHAIN,CAM,98XRH2010-1 2574грн.
Під замовлення
92145 92145-0589 SPRING,5.9X0.4X16.5 76грн.
Під замовлення
92145 92145-0586 SPRING,8X0.4X20 83грн.
Під замовлення
92150 92150-1650 BOLT 101грн.
Під замовлення
92152 92152-0650 COLLAR 167грн.
Під замовлення
92154 92154-0477 BOLT,SOCKET,6X25 58грн.
Під замовлення