Ми на зв'язку пн-пт: 10:00 - 18:00

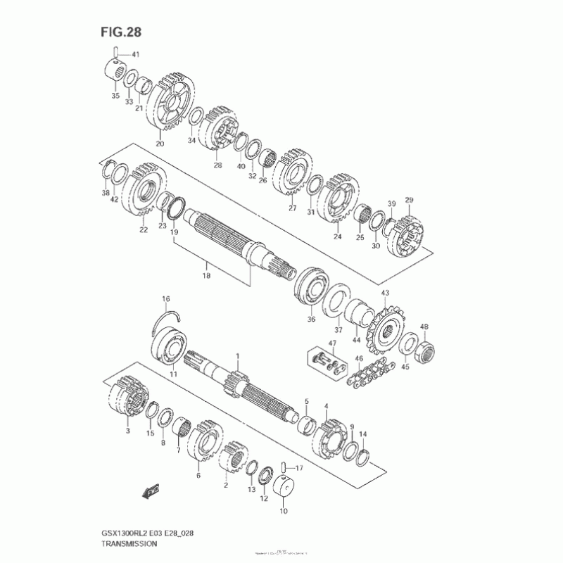
Схема вузла: Трансмісія для Suzuki GSX1300 Hayabusa

Виробники Suzuki
Код товару: GSX1300RL2
7757грн.
Під замовлення
Деталізація вузла Трансмісія для Suzuki GSX1300 Hayabusa.

Деталі поставляються під замовлення, у відповідності з умовами поставки оригінальних запчастин.

Всі деталі оригінальні, їх сумісність з мотоциклом гарантована виробником у випадку правильної ідентифікації моделі та року випуску, та відсутності попередньої модифікації вузла власником.

Написати відгук
Примітка: HTML розмітка не підтримується! Використовуйте звичайний текст.

Немає відгуків про цей товар.

Model Наіменування Amount Кількість Доступність
1 24120-24F00 SHAFT,COUNTER 6435грн.
Під замовлення
10 09263-20085 BEARING(20X34X17.5) 964грн.
Під замовлення
11 09267-25012 BEARING(25X62X25.4) 1805грн.
Під замовлення
12 09285-20006 Сальник 189грн.
Під замовлення
13 09380-27004 КЛИПС 78грн.
Під замовлення
14 09380-27006 КЛИПС 78грн.
Під замовлення
16 09390-62012 C RING 105грн.
Під замовлення
17 04221-07209 ШТИФТ 61грн.
Під замовлення
18 24130-15H00 Вал ведущий 6762грн.
Під замовлення
19 24136-48G01 RING,DRIVE SHAFT FRICTION 567грн.
Під замовлення
2 24221-15H00 GEAR,2ND DRIVE 1940грн.
Під замовлення
20 24311-15H00 GEAR,1ST DRIVEN 3610грн.
Під замовлення
21 24312-24F10 BUSH,1ST DRIVEN GEAR 609грн.
Під замовлення
22 24321-15H00 GEAR,2ND DRIVEN 2753грн.
Під замовлення
23 24322-48G00 ВТУЛКА ТРАНСМИССИИ 564грн.
Під замовлення
24 24331-15H00 GEAR,3RD DRIVEN 2527грн.
Під замовлення
25 24332-24F10 ВТУЛКА ТРАНСМИССИИ 611грн.
Під замовлення
27 24341-15H00 GEAR,4TH DRIVEN 2730грн.
Під замовлення
28 24351-15H01 GEAR,5TH DRIVEN 3813грн.
Під замовлення
29 24361-15H00 GEAR,6TH DRIVEN 3221грн.
Під замовлення
3 24231-15H00 GEAR,3RD & 4TH DRIVE 3311грн.
Під замовлення
30 09167-30008 ШАЙБА 91грн.
Під замовлення
33 09181-20251 Шайба (T:1.0) 77грн.
Під замовлення
34 09181-24005 ШАЙБА 0грн.
Недоступно до замовлення
35 09263-20040 ПОДШИПНИК ШАРИКОВЫЙ 0грн.
Недоступно до замовлення
36 09267-30011 BEARING(30X62X23.8) 1850грн.
Під замовлення
37 09283-42018 Уплотнение вала 587грн.
Під замовлення
38 09380-30009 КЛИПС 81грн.
Під замовлення
4 24251-15H01 GEAR,5TH DRIVE 2617грн.
Під замовлення
42 08211-30405 Шайба 88грн.
Під замовлення
43 27510-15H00 SPROCKET,ENGINE(18T) 3153грн.
Під замовлення
44 27531-15H00 SPACER,ENGINE SPROCKET NO.1 589грн.
Під замовлення
45 27532-15H00 SPACER,ENGINE SPROCKET NO.2 251грн.
Під замовлення
46 27600-24F60-118 CHAIN,DRIVE(RK GB50GSVZ4) 0грн.
Недоступно до замовлення
47 27620-24F60 JOINT SET,CHAIN 420грн.
Під замовлення
48 09159-22008 ШАЙБА ТРАНСМИССИИ, МЕТАЛЛ 610грн.
Під замовлення
5 24252-24F10 BUSH,5TH DRIVE GEAR 611грн.
Під замовлення
6 24261-15H00 GEAR,6TH DRIVE 3519грн.
Під замовлення
7 24262-24F10 BUSH,6TH DRIVE GEAR 611грн.
Під замовлення
8 09167-27003 ШАЙБА 91грн.
Під замовлення
9 09181-27014 SHIM(27X36X2.5) 95грн.
Під замовлення