Ми на зв'язку пн-пт: 10:00 - 18:00

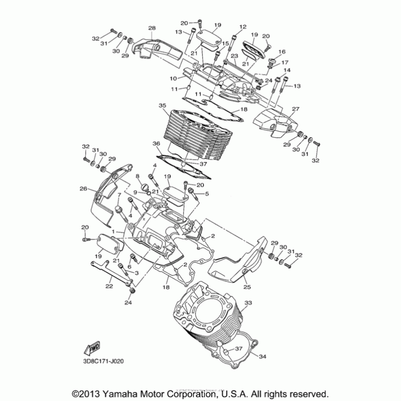
Схема вузла: Циліндр Yamaha XVS1300 V-Star Tourer

Виробники Yamaha
Код товару: XVS1300 V-Star Tourer
34906грн.
Під замовлення
Деталізація вузла Циліндр Yamaha XVS1300 V-Star Tourer.

Деталі поставляються під замовлення, у відповідності з умовами поставки оригінальних запчастин.

Всі деталі оригінальні, їх сумісність з мотоциклом гарантована виробником за умови правильної ідентифікації моделі, року випуску та відсутності попередньої модифікації вузла власником.

Написати відгук
Примітка: HTML розмітка не підтримується! Використовуйте звичайний текст.

Немає відгуків про цей товар.

Model Наіменування Amount Кількість Доступність
1 3D8-11191-00-00 Крышка передней головки 9992грн.
Під замовлення
10 3D8-11192-00-00 Крышка задней головки 9992грн.
Під замовлення
18 3D8-11193-00-00 Прокладка крышки головки 753грн.
Під замовлення
19 27D-11186-00-00 Крышка 2 220грн.
Під замовлення
2 91808-16023-00 Втулка центрующая 74грн.
Під замовлення
20 913-14060-20-00 Болт 60грн.
Під замовлення
20 91312-06020-00 Болт 64грн.
Під замовлення
21 3D8-11196-00-00 Прокладка крышки головки 200грн.
Під замовлення
22 3D8-1112F-01-00 Пластина 2 537грн.
Під замовлення
23 3D8-1113F-01-00 Пластина 3 537грн.
Під замовлення
24 90480-10334-00 Уплотнение 78грн.
Під замовлення
25 3D8-1111M-00-00 Крышка 1 2249грн.
Під замовлення
26 3D8-1111N-00-00 Крышка 2 2249грн.
Під замовлення
27 3D8-1111P-00-00 Крышка 3 2154грн.
Під замовлення
28 3D8-1111R-00-00 Крышка 4 2154грн.
Під замовлення
29 90480-13022-00 Втулка демпфирующая 71грн.
Під замовлення
3 90110-06269-00 Болт 78грн.
Під замовлення
30 90387-06207-00 Втулка 70грн.
Під замовлення
31 90201-06088-00 Шайба 78грн.
Під замовлення
32 90111-06038-00 Болт 78грн.
Під замовлення
33 3D8-11311-00-00 Цилиндр передний 34906грн.
Під замовлення
34 3D8-11351-00-00 Прокладка цилиндра 658грн.
Під замовлення
35 3D8-11321-01-00 Цилиндр задний 34906грн.
Під замовлення
35 3D8-11321-00-00 Цилиндр задний 34906грн.
Під замовлення
36 3D8-11352-00-00 Прокладка цилиндра 685грн.
Під замовлення
37 99530-08016-00 Втулка 74грн.
Під замовлення
4 90110-06268-00 Болт 78грн.
Під замовлення
5 901-10061-66-00 Болт 71грн.
Під замовлення
6 90110-06267-00 Болт 143грн.
Під замовлення
7 95817-10090-00 Болт 105грн.
Під замовлення
7 958-11100-90-00 Болт 105грн.
Під замовлення
7 95812-10090-00 Болт 105грн.
Під замовлення
8 90340-14117-00 Пробка 128грн.
Під замовлення
9 93210-14369-00 Кольцо уплотнительное 78грн.
Під замовлення