Warning: unlink(/home/allmoto/web/allmoto.parts/storage/cache/cache.catalog.language.1770725536): No such file or directory in /home/allmoto/web/allmoto.parts/public_html/system/library/cache/file.php on line 68 Схема вузла: Starter motor для Kawasaki VN900 Vulcan 900 Custom
Ми на зв'язку пн-пт: 10:00 - 18:00

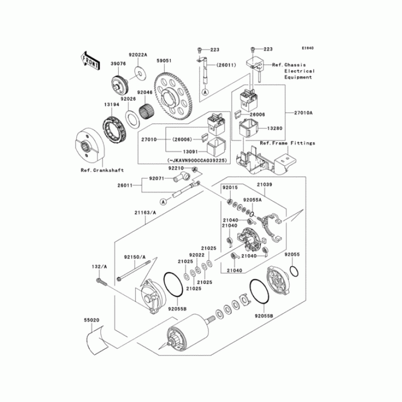
Схема вузла: Starter motor для Kawasaki VN900 Vulcan 900 Custom

Виробники Kawasaki
Код товару: VN900CBF
28494грн.
Під замовлення
Деталізація вузла Starter motor для Kawasaki VN900 Vulcan 900 Custom.

Деталі поставляються під замовлення, у відповідності з умовами поставки оригінальних запчастин.

Всі деталі оригінальні, їх сумісність з мотоциклом гарантована виробником за умови правильної ідентифікації моделі, року випуску та відсутності попередньої модифікації вузла власником.

Написати відгук
Примітка: HTML розмітка не підтримується! Використовуйте звичайний текст.

Немає відгуків про цей товар.

Model Наіменування Amount Кількість Доступність
13194 13194-0009 Односторонний подшипник обгонной муфты 3607грн.
Під замовлення
132 132BA0625 BOLT-FLANGED-SMALL,6X 69грн.
Під замовлення
13280 13280-1263 HOLDER 307грн.
Під замовлення
21025 21025011 WASHER,THRUST,0.2T 145грн.
Під замовлення
21039 21039-1060 Щётка карбоновая 2694грн.
Під замовлення
21040 21040-1055 Пружина 210грн.
Під замовлення
21163 21163-0066 STARTER-ELECTRIC 18018грн.
Під замовлення
223 223AA0510 SCREW-PAN-WS-CROS 61грн.
Під замовлення
26006 26006-1006 Ограничитель,30A-G 115грн.
Під замовлення
26011 26011-0126 WIRE-LEAD,STARTER MOT 1169грн.
Під замовлення
27010 27010-0793 SWITCH,MAGNETIC 3101грн.
Під замовлення
27010 27010-1446 Переключатель магнитный 3183грн.
Під замовлення
39076 39076-0008 Ограничитель 2896грн.
Під замовлення
55020 55020-1589 GUARD,STARTER MOTER 167грн.
Під замовлення
59051 59051-0060 GEAR-SPUR,63T 2743грн.
Під замовлення
92015 92015-1476 Гайка 101грн.
Під замовлення
92022 92022-1132 WASHER,THRUST,0.8T 119грн.
Під замовлення
92022 92022-1664 WASHER,12.3X38X2.0 135грн.
Під замовлення
92026 92026-1490 Кольцо/шайба 237грн.
Під замовлення
92046 92046-1171 BEARING-NEEDLE,K30X35 558грн.
Під замовлення
92055 92055-1276 Кольцо 215грн.
Під замовлення
92055 92055-1381 Кольцо мотора стартера 215грн.
Під замовлення
92055 92055-1370 Кольцо 4.5X2.0 104грн.
Під замовлення
92071 92071-0024 Уплотнительная резинка 194грн.
Під замовлення
92150 92150-1572 Болт мотора 215грн.
Під замовлення
92210 92210-0188 NUT,6MM 61грн.
Під замовлення