Ми на зв'язку пн-пт: 10:00 - 18:00

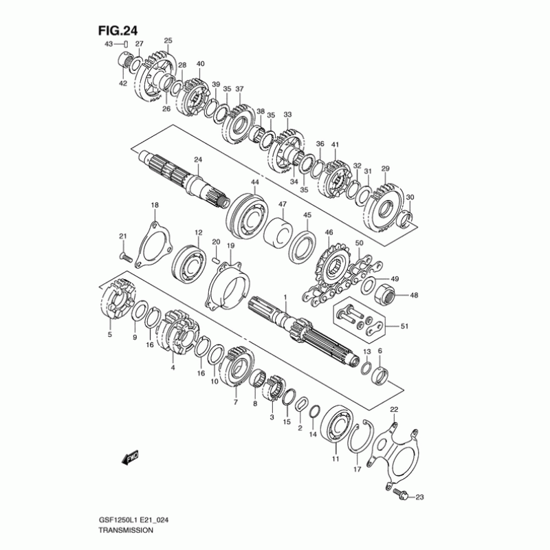
Схема вузла: Трансмісія для Suzuki GSF1250 Bandit

Виробники Suzuki
Код товару: GSF1250L1(E21) L1
6265грн.
Під замовлення
Деталізація вузла Трансмісія для Suzuki GSF1250 Bandit.

Деталі поставляються під замовлення, у відповідності з умовами поставки оригінальних запчастин.

Всі деталі оригінальні, їх сумісність з мотоциклом гарантована виробником у випадку правильної ідентифікації моделі та року випуску, та відсутності попередньої модифікації вузла власником.

Написати відгук
Примітка: HTML розмітка не підтримується! Використовуйте звичайний текст.

Немає відгуків про цей товар.

Model Наіменування Amount Кількість Доступність
1 24120-18H10 SHAFT,COUNTER 8358грн.
Під замовлення
10 09167-27001 ШАЙБА 81грн.
Під замовлення
11 09262-20080 Подшипник 611грн.
Під замовлення
12 09262-25163 BEARING(25X62X17) 677грн.
Під замовлення
13 09280-17004 O RING(D:1.9,ID:16.6) 78грн.
Під замовлення
14 09280-20001 O RING(D:1,ID:19.5) 78грн.
Під замовлення
15 09380-27004 КЛИПС 78грн.
Під замовлення
16 09380-27006 КЛИПС 78грн.
Під замовлення
17 08331-4152A Стопорное кольцо (пружинное) 94грн.
Під замовлення
17 08331-41529 CIRCLIP 94грн.
Під замовлення
18 24751-18H00 RETAINER,CNTR SHAFT BEARING,R 564грн.
Під замовлення
19 24771-18H10 HOUSING,CNTR SHAFT BRG,R 2843грн.
Під замовлення
2 24127-18H00 WASHER,COUNTER SHAFT WAVE 74грн.
Під замовлення
20 04221-06129 Штифт 6X12 58грн.
Під замовлення
21 09139-06159 SCREW(6X20) 67грн.
Під замовлення
22 24741-18H10 RETAINER,CL PUSH ROD OIL SEAL 448грн.
Під замовлення
23 09103-06236 БОЛТ 67грн.
Під замовлення
24 24131-18H20 SHAFT,DRIVE 7948грн.
Під замовлення
25 24311-18H00 GEAR,1ST DRIVEN(NT:40) 4775грн.
Під замовлення
26 24312-02F00 BUSH 677грн.
Під замовлення
27 09181-20251 Шайба (T:1.0) 77грн.
Під замовлення
28 09181-22223 SHIM(22X34X1) 81грн.
Під замовлення
29 24321-18H00 GEAR,2ND DRIVEN(NT:35) 4444грн.
Під замовлення
3 24221-18H10 GEAR,2ND DRIVE 0грн.
Недоступно до замовлення
30 24322-02F01 BUSH,2ND DRIVEN GEAR 336грн.
Під замовлення
33 24331-18H00 GEAR,3RD DRIVEN(NT:31) 4099грн.
Під замовлення
34 24332-46H00 BUSH,3RD DRIVEN GEAR 534грн.
Під замовлення
35 24333-02F00 ШАЙБА КПП 94грн.
Під замовлення
37 24341-18H00 GEAR,4TH DRIVEN(NT:30) 4422грн.
Під замовлення
4 24231-18H00 GEAR,3RD & 4TH DRIVE(NT:20/23) 5280грн.
Під замовлення
40 24351-18H00 GEAR,5TH DRIVEN(NT:29) 5099грн.
Під замовлення
41 24361-18H00 GEAR,6TH DRIVEN(NT:30) 5234грн.
Під замовлення
42 09263-20087 BEARING(20X34X13.5) 587грн.
Під замовлення
43 09261-06003 ШТИФТ 0грн.
Недоступно до замовлення
44 09267-30011 BEARING(30X62X23.8) 1850грн.
Під замовлення
45 09283-42018 Уплотнение вала 587грн.
Під замовлення
46 27510-21A40 SPROCKET,ENGINE(NT:18) 3810грн.
Під замовлення
47 27531-18H00 SPACER,ENGINE SPROCKET 658грн.
Під замовлення
48 09159-20004 Гайка 239грн.
Під замовлення
49 09160-25035 Шайба 83грн.
Під замовлення
5 24251-18H00 GEAR,5TH DRIVE(NT:25) 4219грн.
Під замовлення
50 27600-24F20-120 Цепь масляного насоса 0грн.
Недоступно до замовлення
51 27620-24F20 Joint set 357грн.
Під замовлення
6 24252-35F00 BUSH,5TH DRIVE GEAR 443грн.
Під замовлення
7 24261-18H00 GEAR,6TH DRIVE(NT:28) 4685грн.
Під замовлення
8 24262-35F10 BUSH,6TH DRIVE GEAR 534грн.
Під замовлення
9 09160-27008 Шайба 83грн.
Під замовлення