Ми на зв'язку пн-пт: 10:00 - 18:00

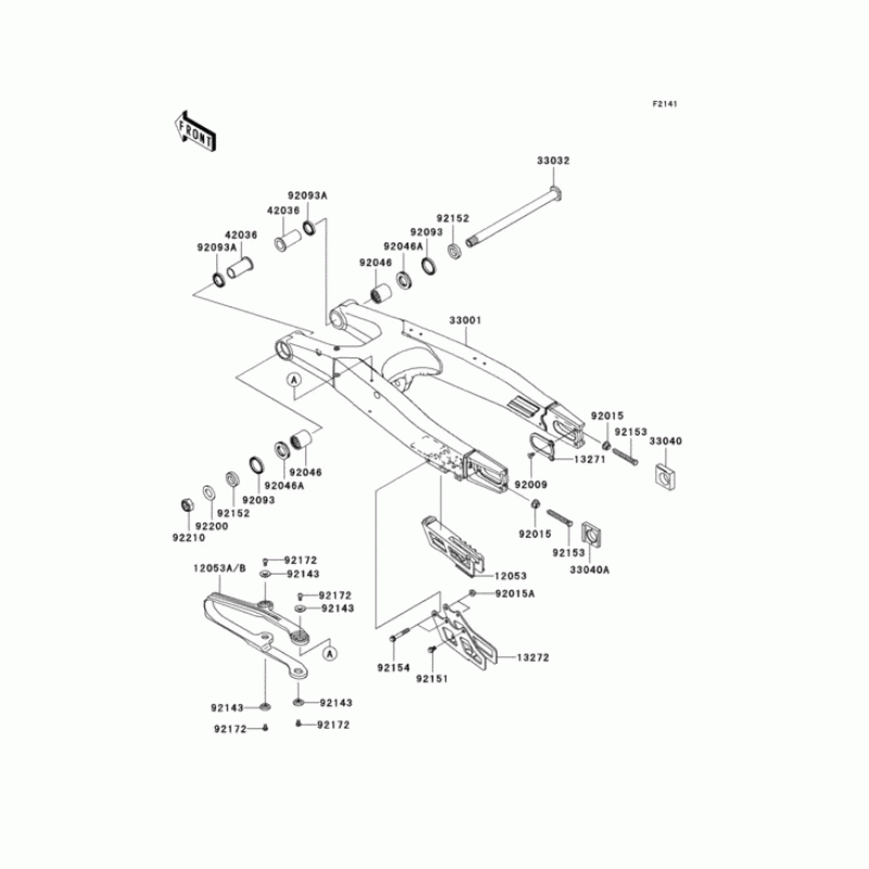
Схема вузла: Задній важіль (маятник) для Kawasaki KX450 KX450F

Виробники Kawasaki
Код товару: KX450EAF
30598грн.
Під замовлення
Деталізація вузла Задній важіль (маятник) для Kawasaki KX450 KX450F.

Деталі поставляються під замовлення, у відповідності з умовами поставки оригінальних запчастин.

Всі деталі оригінальні, їх сумісність з мотоциклом гарантована виробником за умови правильної ідентифікації моделі, року випуску та відсутності попередньої модифікації вузла власником.

Написати відгук
Примітка: HTML розмітка не підтримується! Використовуйте звичайний текст.

Немає відгуків про цей товар.

Model Наіменування Amount Кількість Доступність
12053 12053-0178 GUIDE-CHAIN,HARDNESS 1508грн.
Під замовлення
12053 12053-0125 Направляющая 1328грн.
Під замовлення
12053 12053-0192 GUIDE-CHAIN,HARDNESS 1770грн.
Під замовлення
13271 13271-1833 PLATE,AXLE 398грн.
Під замовлення
13272 13272-1169 PLATE,CHAIN GUIDE 714грн.
Під замовлення
33001 33001-0582 ARM-COMP-SWING 30598грн.
Під замовлення
33032 33032-0012 Вал 949грн.
Під замовлення
33040 33040-0020 ADJUSTER-CHAIN,RH 287грн.
Під замовлення
33040 33040-0075 ADJUSTER-CHAIN,LH 312грн.
Під замовлення
42036 42036-0019 SLEEVE,SWING ARM,L=47 581грн.
Під замовлення
92009 92009-1828 Болт 69грн.
Під замовлення
92015 92210-0630 NUT,FLANGED,6MM 61грн.
Під замовлення
92015 92015-1014 Гайка,8MM 97грн.
Під замовлення
92046 92046-1174 Подшипник 944грн.
Під замовлення
92046 92046-1240 BEARING-NEEDLE,NTBR22 538грн.
Під замовлення
92093 92093-1434 SEAL,SDO29X35X4.5 194грн.
Під замовлення
92093 92093-1435 SEAL,SDO22X29X5 188грн.
Під замовлення
92143 92143-1676 COLLAR 124грн.
Під замовлення
92151 92151-1233 BOLT,6X10 69грн.
Під замовлення
92152 92152-0292 COLLAR,17.1X29X6 194грн.
Під замовлення
92153 92153-0620 BOLT,8X56 83грн.
Під замовлення
92154 92154-0130 BOLT,FLANGED,6X42 0грн.
Недоступно до замовлення
92172 92172-0119 SCREW,5X8 61грн.
Під замовлення
92200 92200-0285 WASHER,17.2X30X2.3 83грн.
Під замовлення
92210 92210-0285 NUT,LOCK,16MM 360грн.
Під замовлення