Ми на зв'язку пн-пт: 10:00 - 18:00

GSF650 Bandit S (GSF650SL0(E2))


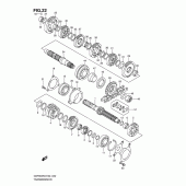
Деталізація вузла Трансмісія для Suzuki GSF650 Bandit S. Деталі поставляються під замовлення, у відп..
4692грн.
немає відгуків
Деталізація вузла Фара (Gsf650k9/ak9/uk9/uak9/l0/al0/ul0/ual0) для Suzuki GSF650 Bandit S. Деталі по..
17754грн.
немає відгуків
Деталізація вузла Фара (Gsf650sk9/sak9/suk9/suak9/sl0/sal0/sul0/sual0) для Suzuki GSF650 Bandit S. Д..
1056грн.
немає відгуків
Деталізація вузла Циліндр для Suzuki GSF650 Bandit S. Деталі поставляються під замовлення, у відпові..
849грн.
немає відгуків
Показано з 81 до 84 з 84 (5 сторінок)