Ми на зв'язку пн-пт: 10:00 - 18:00

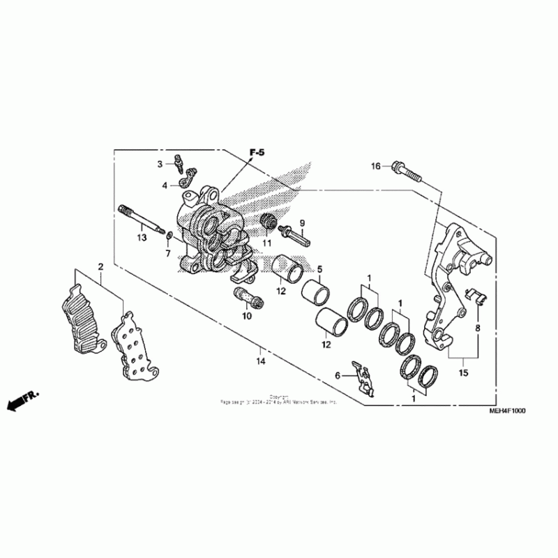
Передній-правий гальмівний супорт для Honda NSA700 DN-01

Виробники Honda
Код товару: NSA700 DN-01
15760грн.
Під замовлення
Деталізація вузла Передній-правий гальмівний супорт для Honda NSA700 DN-01.

Деталі поставляються під замовлення, у відповідності з умовами поставки оригінальних запчастин.

Всі деталі оригінальні, їх сумісність з мотоциклом гарантована виробником за умови правильної ідентифікації моделі та року випуску, та відсутності попередньої модифікації вузла власником.

Написати відгук
Примітка: HTML розмітка не підтримується! Використовуйте звичайний текст.

Немає відгуків про цей товар.

Model Наіменування Amount Кількість Доступність
1 06451-MZ2-405 Уплотнители поршня 311грн.
Під замовлення
10 45132-166-016 Пыльник суппорта 112грн.
Під замовлення
11 45133-MA3-006 ПЫЛЬНИК НАПРАВЛЯЮЩЕЙ СУППОРТА ТОРМОЗНОГО 145грн.
Під замовлення
12 45207-MAJ-G41 Piston (22x35) 625грн.
Під замовлення
13 45215-MBT-D51 Pin, hanger 256грн.
Під замовлення
14 45250-MEH-711 Caliper sub-assy. 15760грн.
Під замовлення
15 45290-MER-R81 Bracket sub-assy. 2951грн.
Під замовлення
16 90131-KBV-003 Болт 94грн.
Під замовлення
2 06455-MEH-006 Pad set, r. fr. 2802грн.
Під замовлення
3 43352-568-003 Болт 107грн.
Під замовлення
4 43353-461-771 Cap 111грн.
Під замовлення
5 45107-MAJ-G41 Piston (22x27) 622грн.
Під замовлення
6 45108-MBT-D52 Пружина 265грн.
Під замовлення
7 45111-MAJ-G41 Прокладка 106грн.
Під замовлення
8 45112-MZ2-006 Retainer, bracket 152грн.
Під замовлення
9 45131-ML7-921 Bolt a, pin 299грн.
Під замовлення