Ми на зв'язку пн-пт: 10:00 - 18:00

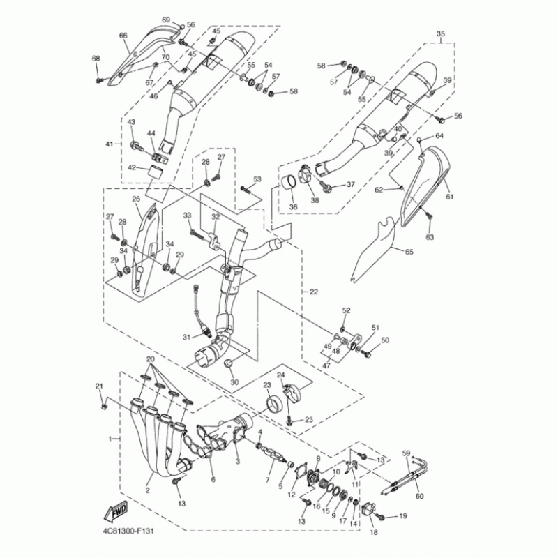
Схема вузла: Вихлопна система Yamaha YZF-R1 R1

Виробники Yamaha
Код товару: YZF-R1 R1
9214грн.
Під замовлення
Деталізація вузла Вихлопна система Yamaha YZF-R1 R1.

Деталі поставляються під замовлення, у відповідності з умовами поставки оригінальних запчастин.

Всі деталі оригінальні, їх сумісність з мотоциклом гарантована виробником за умови правильної ідентифікації моделі, року випуску та відсутності попередньої модифікації вузла власником.

Написати відгук
Примітка: HTML розмітка не підтримується! Використовуйте звичайний текст.

Немає відгуків про цей товар.

Model Наіменування Amount Кількість Доступність
1 4C8-14610-00-00 Коллектор выхлопа в сборе 105627грн.
Під замовлення
10 5VY-14856-00-00 Пружина 153грн.
Під замовлення
11 5VY-14867-00-00 Крепление 348грн.
Під замовлення
12 5VY-14643-00-00 Прокладка 240грн.
Під замовлення
13 90110-06110-00 Болт 95грн.
Під замовлення
14 90179-06M28-00 Гайка 78грн.
Під замовлення
15 5VY-14648-00-00 Втулка 1116грн.
Під замовлення
16 5VY-14674-00-00 Кольцо 105грн.
Під замовлення
17 92990-06200-00 Шайба 60грн.
Під замовлення
18 5VY-14826-00-00 Защита 445грн.
Під замовлення
2 4C8-14602-00-00 Трубы выхлопа 0грн.
Недоступно до замовлення
20 4FM-14613-00-00 Кольцо (прокладка трубы выхлопа) 264грн.
Під замовлення
21 90179-08410-00 Гайка 78грн.
Під замовлення
22 4C8-14740-00-00 Катализатор в сборе 71502грн.
Під замовлення
23 4C8-14755-00-00 Втулка (прокладка трубы) 1134грн.
Під замовлення
24 4C8-14715-00-00 Хомут 658грн.
Під замовлення
25 95814-08030-00 Болт 74грн.
Під замовлення
26 4C8-14738-00-00 Защита 3 2471грн.
Під замовлення
27 92014-06012-00 Болт 60грн.
Під замовлення
28 90201-06079-00 Шайба 78грн.
Під замовлення
29 90387-06188-00 Втулка 195грн.
Під замовлення
3 4C8-14615-00-00 Патрубок выхлопа 53876грн.
Під замовлення
30 4FM-24181-00-00 Демпфер 210грн.
Під замовлення
31 4C8-8592A-00-00 Датчик 7741грн.
Під замовлення
32 4C8-21880-00-00 Крепление 1 1152грн.
Під замовлення
33 92014-08040-00 Болт 95грн.
Під замовлення
33 90111-08021-00 Болт 98грн.
Під замовлення
34 90480-12021-00 Втулка демпфирующая 82грн.
Під замовлення
35 4C8-14710-00-00 Глушитель в сборе, левый 49376грн.
Під замовлення
36 5VY-14714-00-00 Втулка (прокладка трубы выхлопа) 585грн.
Під замовлення
37 90105-08063-00 Болт 148грн.
Під замовлення
38 5VY-14715-00-00 Хомут 938грн.
Під замовлення
39 90183-060A2-00 Гайка 78грн.
Під замовлення
4 5VY-14816-00-00 Пробка 133грн.
Під замовлення
40 90338-06007-00 Пробка 236грн.
Під замовлення
41 4C8-14720-00-00 Глушитель в сборе, правый 54251грн.
Під замовлення
44 3D8-14715-00-00 Хомут крепления глушителя 938грн.
Під замовлення
47 4C8-21890-00-00 Крепление 2 771грн.
Під замовлення
48 5VY-14747-00-00 Демпфер 128грн.
Під замовлення
49 903-87080-21-00 Втулка 240грн.
Під замовлення
5 5VY-14638-00-00 Втулка 1030грн.
Під замовлення
50 95817-08040-00 Болт 60грн.
Під замовлення
50 95812-08040-00 Болт 61грн.
Під замовлення
51 90201-087G2-00 Шайба 84грн.
Під замовлення
52 90201-10054-00 Шайба 82грн.
Під замовлення
53 901-11080-59-00 Bolt,hex. Socket Button 164грн.
Під замовлення
53 90111-08058-00 Болт 164грн.
Під замовлення
54 5VY-27424-00-00 Демпфер 128грн.
Під замовлення
55 90387-08020-00 Втулка 359грн.
Під замовлення
56 95814-08045-00 Болт 97грн.
Під замовлення
57 90201-08034-00 Шайба 91грн.
Під замовлення
58 95604-08200-00 Гайка 81грн.
Під замовлення
59 4C8-1133E-01-00 Кабель 1 1401грн.
Під замовлення
6 5VY-14623-00-00 Прокладка труб выхлопа 327грн.
Під замовлення
60 4C8-1133F-01-00 Кабель 2 1424грн.
Під замовлення
61 4C8-14718-00-P0 Защита 1 2585грн.
Під замовлення
62 90387-062L2-00 Хомут 115грн.
Під замовлення
63 90111-06038-00 Болт 78грн.
Під замовлення
64 4C8-14757-00-00 Демпфер 133грн.
Під замовлення
65 4C8-1475P-00-00 Пластина (демпфер) 481грн.
Під замовлення
66 4C8-14728-00-P0 Защита 2 2585грн.
Під замовлення
7 5VY-14821-00-00 Клапан выхлопного патрубка 6416грн.
Під замовлення
70 4C8-1476P-00-00 Пластина (демпфер) 481грн.
Під замовлення
8 5VY-14811-00-00 Корпус 9214грн.
Під замовлення
9 5VY-14865-10-00 Сектор 740грн.
Під замовлення