Ми на зв'язку пн-пт: 10:00 - 18:00

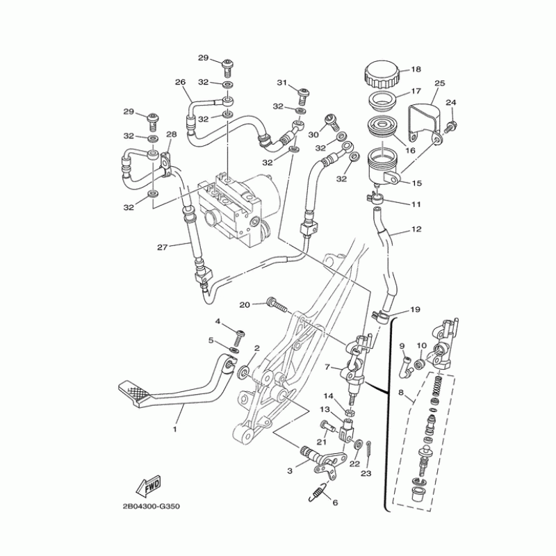
Схема вузла: Задній гальмівний циліндр Yamaha TDM900

Виробники Yamaha
Код товару: TDM900
5033грн.
Під замовлення
Деталізація вузла Задній гальмівний циліндр Yamaha TDM900.

Деталі поставляються під замовлення, у відповідності з умовами поставки оригінальних запчастин.

Всі деталі оригінальні, їх сумісність з мотоциклом гарантована виробником за умови правильної ідентифікації моделі, року випуску та відсутності попередньої модифікації вузла власником.

Написати відгук
Примітка: HTML розмітка не підтримується! Використовуйте звичайний текст.

Немає відгуків про цей товар.

Model Наіменування Amount Кількість Доступність
1 5PS-27211-00-00 Педаль тормоза 3868грн.
Під замовлення
10 4BP-2585F-01-00 Кольцо уплотнительное 180грн.
Під замовлення
10 4BP-2585F-00-00 Втулка уплотнения штуцера 180грн.
Під замовлення
11 90467-090A1-00 Хомут 74грн.
Під замовлення
12 2B0-25895-00-00 Трубка 590грн.
Під замовлення
13 47X-27222-00-00 Наконечник толкателя гидроцилиндра 499грн.
Під замовлення
14 95317-08700-00 Гайка 74грн.
Під замовлення
14 95307-08700-00 Гайка 74грн.
Під замовлення
15 5VS-25894-00-00 Бачок тормозной жидкости 420грн.
Під замовлення
16 5SL-25854-00-00 Диафрагма 338грн.
Під замовлення
17 5SL-25855-00-00 Основание диафрагмы 74грн.
Під замовлення
18 5SL-25852-00-00 Крышка бачка 82грн.
Під замовлення
19 90467-090A0-00 Хомут 74грн.
Під замовлення
2 90201-14215-00 Шайба 74грн.
Під замовлення
20 92014-08030-00 Болт 81грн.
Під замовлення
21 90240-08013-00 Палец 80грн.
Під замовлення
22 90201-08083-00 Шайба 77грн.
Під замовлення
23 914-90200-25-00 Шплинт 74грн.
Під замовлення
23 91490-20015-00 Шплинт 62грн.
Під замовлення
23 91401-20012-00 Шплинт 62грн.
Під замовлення
24 950-27060-20-00 Болт 69грн.
Під замовлення
25 2B0-25888-00-00 Крышка бачка 0грн.
Недоступно до замовлення
26 2B0-2581J-00-00 Шланг тормозной 4 2163грн.
Під замовлення
27 2B0-2581K-00-00 Шланг тормозной 5 5033грн.
Під замовлення
28 2B0-25875-00-00 Крепление шланга 1 585грн.
Під замовлення
29 90401-10172-00 Болт-штуцер 101грн.
Під замовлення
3 5PS-27212-00-00 Ось педали тормоза 1056грн.
Під замовлення
30 90401-10020-00 Болт-штуцер 95грн.
Під замовлення
32 90430-10005-00 Прокладка 74грн.
Під замовлення
4 920-14060-25-00 Болт 88грн.
Під замовлення
5 929-90066-00-00 Шайба 60грн.
Під замовлення
6 90506-20223-00 Пружина 245грн.
Під замовлення
7 2B0-2583V-00-00 Цилиндр тормозой 0грн.
Недоступно до замовлення
8 5PS-W0042-50-00 Детали тормозного цилиндра, комплект 2680грн.
Під замовлення
9 5VX-2582A-00-00 Штуцер 115грн.
Під замовлення