Ми на зв'язку пн-пт: 10:00 - 18:00

YZF-R6/ YZF600 R6(2C0B)


Деталізація вузла Рульовий механізм Yamaha YZF-R6/YZF600 R6. Деталі поставляються під замовлення, у ..
4439грн.
немає відгуків
Деталізація вузла Сидіння Yamaha YZF-R6/ YZF600 R6. Деталі поставляються під замовлення, у відповідн..
6433грн.
немає відгуків
Деталізація вузла Система індукції повітря Yamaha YZF-R6/YZF600 R6. Деталі поставляються під замовле..
3347грн.
немає відгуків
Деталізація вузла Трансмісія Yamaha YZF-R6/YZF600 R6. Деталі поставляються під замовлення, у відпові..
4807грн.
немає відгуків
Деталізація вузла Фільтр масляний Yamaha YZF-R6/ YZF600 R6. Деталі поставляються під замовлення, у в..
15351грн.
немає відгуків
Деталізація вузла Фара Yamaha YZF-R6/YZF600 R6. Деталі поставляються під замовлення, у відповідності..
22469грн.
немає відгуків
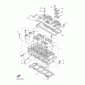
Деталізація вузла Циліндр Yamaha YZF-R6/YZF600 R6. Деталі поставляються під замовлення, у відповідно..
48775грн.
немає відгуків
Показано з 41 до 47 з 47 (3 сторінок)