Warning: unlink(/home/allmoto/web/allmoto.parts/storage/cache/cache.catalog.language.1778818995): No such file or directory in /home/allmoto/web/allmoto.parts/public_html/system/library/cache/file.php on line 68 Схема вузла: Головка циліндра Yamaha YZF-R1 R1 RaceBase
Ми на зв'язку пн-пт: 10:00 - 18:00

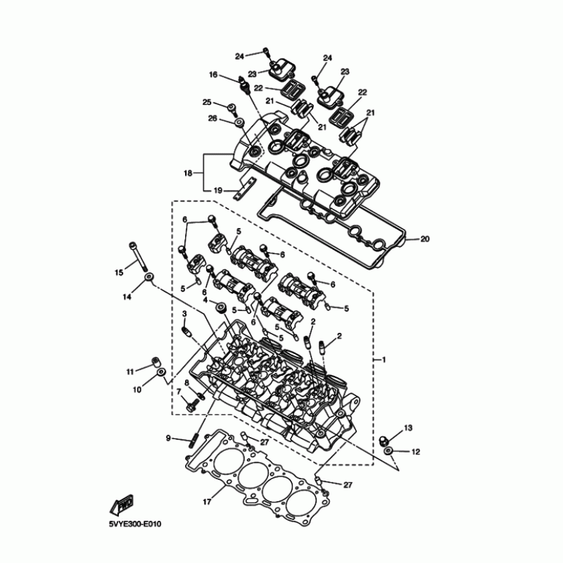
Схема вузла: Головка циліндра Yamaha YZF-R1 R1 RaceBase

Виробники Yamaha
Код товару: YZF-R1 R1 RaceBase
5305грн.
Під замовлення
Деталізація вузла Головка циліндра Yamaha YZF-R1 R1 RaceBase.

Деталі поставляються під замовлення, у відповідності з умовами поставки оригінальних запчастин.

Всі деталі оригінальні, їх сумісність з мотоциклом гарантована виробником за умови правильної ідентифікації моделі, року випуску та відсутності попередньої модифікації вузла власником.

Написати відгук
Примітка: HTML розмітка не підтримується! Використовуйте звичайний текст.

Немає відгуків про цей товар.

Model Наіменування Amount Кількість Доступність
1 5VY-11101-20-00 Голова цилиндра 46751грн.
Під замовлення
10 90201-10033-00 Шайба 95грн.
Під замовлення
11 90179-10006-00 Гайка 86грн.
Під замовлення
13 90176-10075-00 Гайка колпачковая 136грн.
Під замовлення
15 91314-06105-00 Болт 185грн.
Під замовлення
16 94703-00403-00 Plug, Spark (Ngk Cr9Ek) 410грн.
Під замовлення
17 5VY-11181-00-00 Прокладка головки блока 1374грн.
Під замовлення
18 5VY-11191-02-00 Крышка головки блока 5305грн.
Під замовлення
18 5VY-11191-01-00 Крышка головки блока 5305грн.
Під замовлення
19 5BE-12241-00-00 Направляющая 568грн.
Під замовлення
2 5VY-11133-30-00 Направляющая клапана 1791грн.
Під замовлення
20 5VY-11193-10-00 Прокладка крышки головки 753грн.
Під замовлення
21 5VY-1482K-00-00 Пластина 95грн.
Під замовлення
22 5SL-14890-00-00 Клапан пластинчатый 1161грн.
Під замовлення
23 5VY-14899-01-00 Крышка 512грн.
Під замовлення
23 5VY-14899-00-00 Крышка со штуцером (сапуна) 512грн.
Під замовлення
24 913-17060-25-00 Болт 60грн.
Під замовлення
25 90109-066F0-00 Болт 119грн.
Під замовлення
26 5VY-1111G-00-00 Уплотнение резиновое 82грн.
Під замовлення
27 99530-10114-00 Втулка 84грн.
Під замовлення
3 5VY-11134-10-00 Втулка 2 1791грн.
Під замовлення
4 903-40180-02-00 Пробка 215грн.
Під замовлення
5 91808-16023-00 Втулка центрующая 74грн.
Під замовлення
6 90105-06026-00 Болт 74грн.
Під замовлення
7 95024-06012-00 Болт 74грн.
Під замовлення
8 904-30060-14-00 Прокладка 66грн.
Під замовлення
9 95612-08625-00 Болт 81грн.
Під замовлення