Ми на зв'язку пн-пт: 10:00 - 18:00

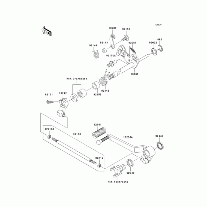
Схема вузла: Перемикач передач для Kawasaki ZR750 Z750

Виробники Kawasaki
Код товару: ZR750-J2
2425грн.
Під замовлення
Деталізація вузла Перемикач передач для Kawasaki ZR750 Z750.

Деталі поставляються під замовлення, у відповідності з умовами поставки оригінальних запчастин.

Всі деталі оригінальні, їх сумісність з мотоциклом гарантована виробником за умови правильної ідентифікації моделі, року випуску та відсутності попередньої модифікації вузла власником.

Написати відгук
Примітка: HTML розмітка не підтримується! Використовуйте звичайний текст.

Немає відгуків про цей товар.

Model Наіменування Amount Кількість Доступність
13161 13161-1292 Рукоятка переключения 2425грн.
Під замовлення
13236 13236-1365 Рукоятка, педаль 1545грн.
Під замовлення
13236 13236-1243 Рукоятка 204грн.
Під замовлення
13242 13242-1395 Рычаг переключения, шарнир 1704грн.
Під замовлення
39110 39110-0021 ROD-ASSY-TIE 582грн.
Під замовлення
39110 39110-1131 Штанга регулятор 618грн.
Під замовлення
482 482J0200 Кольцо стопорное E,12MM 65грн.
Під замовлення
92022 92022-1628 Шайба вала 129грн.
Під замовлення
92049 92049-1492 Сальник 194грн.
Під замовлення
92081 92081-1708 Пружина 134грн.
Під замовлення
92143 92143-1595 COLLAR 215грн.
Під замовлення
92144 92144-1857 Пружина 194грн.
Під замовлення
92145 92145-1122 Пружина 215грн.
Під замовлення
92150 92150-1737 BOLT 237грн.
Під замовлення
92150 92154-1885 BOLT,RETURN SPRING 183грн.
Під замовлення
92150 92150-1869 Болт 194грн.
Під замовлення
92151 92151-1226 Болт 6X20 69грн.
Під замовлення
92152 92152-1383 COLLAR 94грн.
Під замовлення
92161 92161-1300 Демпфер рукоятки 115грн.
Під замовлення
92210 92210-1100 Гайка 69грн.
Під замовлення
92210 92210-1101 Гайка 61грн.
Під замовлення