Ми на зв'язку пн-пт: 10:00 - 18:00

TDM900(2B01)


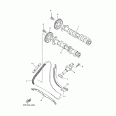
Деталізація вузла Розподільний вал та Ланцюг ГРМ Yamaha TDM900. Деталі поставляються під замовлення,..
9951грн.
немає відгуків
Деталізація вузла Рульовий механізм Yamaha TDM900. Деталі поставляються під замовлення, у відповідно..
5396грн.
немає відгуків
Деталізація вузла Сидіння Yamaha TDM900. Деталі поставляються під замовлення, у відповідності з умов..
12610грн.
немає відгуків
Деталізація вузла Трансмісія Yamaha TDM900. Деталі поставляються під замовлення, у відповідності з у..
8396грн.
немає відгуків
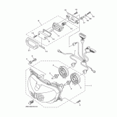
Деталізація вузла Фара Yamaha TDM900. Деталі поставляються під замовлення, у відповідності з умовами..
15473грн.
немає відгуків
Деталізація вузла Циліндр Yamaha TDM900. Деталі поставляються під замовлення, у відповідності з умов..
28851грн.
немає відгуків
Показано з 41 до 46 з 46 (3 сторінок)