Ми на зв'язку пн-пт: 10:00 - 18:00

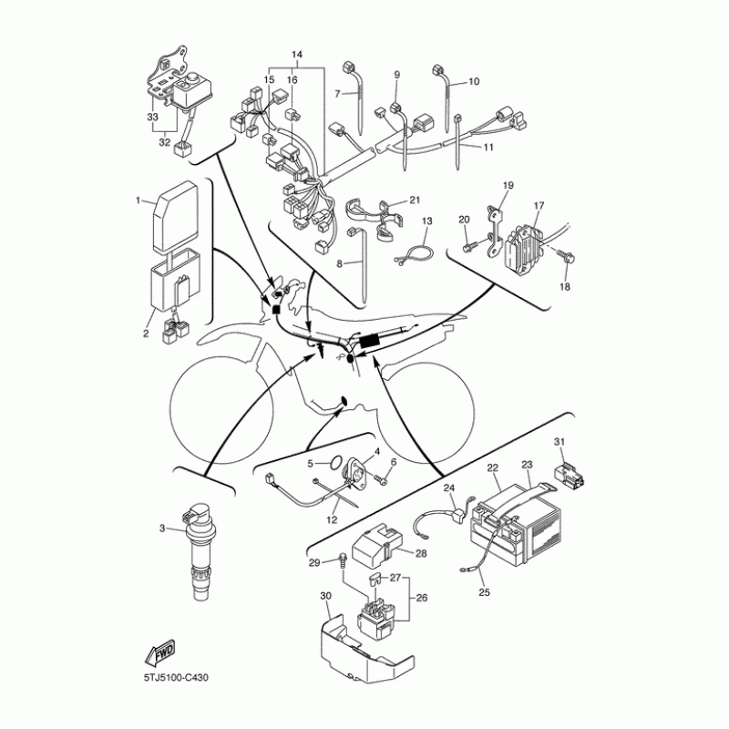
Схема вузла: Електроустаткування 1 Yamaha WR450F

Виробники Yamaha
Код товару: WR450F
11791грн.
Під замовлення
Деталізація вузла Електроустаткування 1 Yamaha WR450F.

Деталі поставляються під замовлення, у відповідності з умовами поставки оригінальних запчастин.

Всі деталі оригінальні, їх сумісність з мотоциклом гарантована виробником за умови правильної ідентифікації моделі, року випуску та відсутності попередньої модифікації вузла власником.

Написати відгук
Примітка: HTML розмітка не підтримується! Використовуйте звичайний текст.

Немає відгуків про цей товар.

Model Наіменування Amount Кількість Доступність
1 5TJ-85540-60-00 Коммутатор 11791грн.
Під замовлення
11 1UA-82591-00-00 Хомут 66грн.
Під замовлення
11 90465-13152-00 Хомут пластмассовый 66грн.
Під замовлення
12 5Y9-12491-00-00 Хомут пластмассовый 74грн.
Під замовлення
13 90464-25267-00 Скоба 77грн.
Під замовлення
13 90464-23041-00 Хомут 78грн.
Під замовлення
14 5TJ-82590-60-00 Электропроводка 6269грн.
Під замовлення
15 5TJ-81980-00-00 Диод 405грн.
Під замовлення
16 4WA-81980-00-00 Диод 512грн.
Під замовлення
17 5TJ-81960-02-00 Реле-регулятор 3356грн.
Під замовлення
17 5TJ-81960-01-00 Выпрямитель и регулятор 3356грн.
Під замовлення
18 950-27060-20-00 Болт 69грн.
Під замовлення
19 5TJ-2128A-01-00 Крепление регулятора 307грн.
Під замовлення
19 5TJ-2128A-00-00 Крепление регулятора 307грн.
Під замовлення
2 5TJ-85546-00-00 Кожух блока 359грн.
Під замовлення
20 950-27060-10-00 Болт 60грн.
Під замовлення
21 90464-29223-00 Хомут 88грн.
Під замовлення
22 YTZ-7S000-00-00 Battery Ytz7S (Ptz7S) Yu 0грн.
Недоступно до замовлення
22 YTZ-7SHE0-00-00 YB16CLB YUASA BATTERY 0грн.
Недоступно до замовлення
22 BTY-GTZ7S-00-00 Battery gtz7s 0грн.
Недоступно до замовлення
22 5TJ-82100-01-00 Аккумулятор (YTZ7S(F)) 0грн.
Недоступно до замовлення
22 5TJ-82100-00-00 Аккумулятор (YTZ7S) 4982грн.
Під замовлення
23 8CY-82131-00-00 Ремень крепления аккумулятора 368грн.
Під замовлення
24 5TJ-82115-00-00 Провод (плюс) 461грн.
Під замовлення
25 5TJ-82116-00-00 Wire, Minus Lead 617грн.
Під замовлення
26 5TJ-81940-12-00 Реле стартера 2213грн.
Під замовлення
26 5TJ-81940-10-00 Реле стартера 2213грн.
Під замовлення
27 42X-82151-00-00 Предохранитель (10A-BL) 74грн.
Під замовлення
28 5SL-82119-10-00 Крышка реле 138грн.
Під замовлення
29 95027-06008-00 Болт 72грн.
Під замовлення
3 5TA-82310-10-00 Катушка высоковольтная 3555грн.
Під замовлення
30 5TJ-81952-00-00 Крепление реле 486грн.
Під замовлення
31 8DM-81950-00-00 Реле 456грн.
Під замовлення
32 5TJ-82510-00-00 Включатель главный 4154грн.
Під замовлення
33 5TJ-82514-00-00 Крепление 578грн.
Під замовлення
4 5TJ-82540-01-00 Кнопка нейтрали 1809грн.
Під замовлення
5 93210-21001-00 Кольцо уплотнительное 78грн.
Під замовлення
5 93210-21276-00 Кольцо уплотнительное 78грн.
Під замовлення
6 98907-05016-00 Винт 74грн.
Під замовлення
6 90154-05026-00 Винт 74грн.
Під замовлення
7 90464-15195-00 Хомут пластмассовый 67грн.
Під замовлення
7 90464-13077-00 Хомут пластмассовый 78грн.
Під замовлення
8 90464-15152-00 Хомут пластмассовый 97грн.
Під замовлення
8 90465-13275-00 Хомут пластмассовый 98грн.
Під замовлення
9 90464-13073-00 Хомут пластмассовый 67грн.
Під замовлення