Ми на зв'язку пн-пт: 10:00 - 18:00

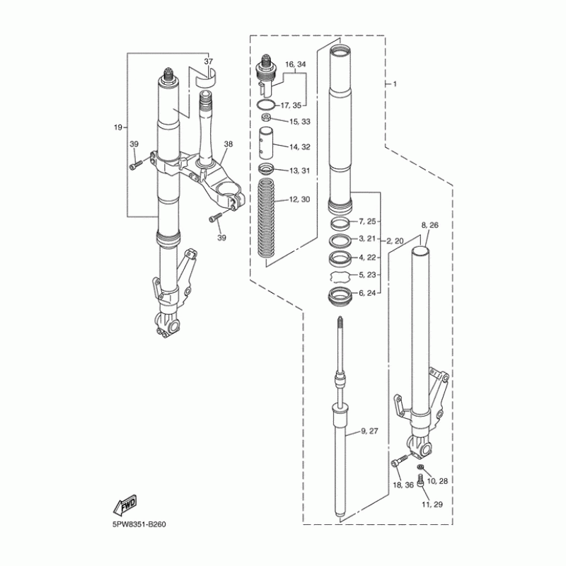
Схема вузла: Вилка передньої осі Yamaha YZF-R1 R1

Виробники Yamaha
Код товару: YZF-R1 R1
29178грн.
Під замовлення
Деталізація вузла Вилка передньої осі Yamaha YZF-R1 R1.

Деталі поставляються під замовлення, у відповідності з умовами поставки оригінальних запчастин.

Всі деталі оригінальні, їх сумісність з мотоциклом гарантована виробником за умови правильної ідентифікації моделі, року випуску та відсутності попередньої модифікації вузла власником.

Написати відгук
Примітка: HTML розмітка не підтримується! Використовуйте звичайний текст.

Немає відгуків про цей товар.

Model Наіменування Amount Кількість Доступність
1 5PW-23102-01-00 Перо левое 0грн.
Недоступно до замовлення
1 5PW-23102-11-00 Перо левое 0грн.
Недоступно до замовлення
10 2K8-23158-L0-00 Прокладка 399грн.
Під замовлення
11 3LC-23181-00-00 Болт 359грн.
Під замовлення
12 5PW-23141-00-00 Пружина 3614грн.
Під замовлення
13 4XV-23142-00-00 Тарелка пружины 333грн.
Під замовлення
14 5PW-23118-00-00 Втулка 0грн.
Недоступно до замовлення
15 3LC-23357-00-00 Гайка 138грн.
Під замовлення
16 5PW-23111-00-00 Гайка корпуса пера 10769грн.
Під замовлення
17 3XJ-23147-L0-00 Кольцо уплотнительное 174грн.
Під замовлення
18 91314-08040-00 Болт 108грн.
Під замовлення
19 5PW-23103-01-00 Перо правое 0грн.
Недоступно до замовлення
19 5PW-23103-11-00 Перо правое 29178грн.
Під замовлення
2 5PW-23136-10-00 Корпус пера 0грн.
Недоступно до замовлення
2 5PW-23136-00-00 Корпус пера 0грн.
Недоступно до замовлення
26 5PW-23120-00-00 Трубка внутренняя 2 0грн.
Недоступно до замовлення
3 5PW-23146-00-00 Шайба 338грн.
Під замовлення
37 5PW-23472-00-00 Защита 266грн.
Під замовлення
38 5PW-23340-00-00 Ось рулевая 0грн.
Недоступно до замовлення
39 91314-08030-00 Болт 60грн.
Під замовлення
4 5PW-23145-00-00 Сальник 699грн.
Під замовлення
5 4V4-23153-L0-00 Кольцо стопорное 159грн.
Під замовлення
6 4PU-23144-00-00 Пыльник 529грн.
Під замовлення
7 5PW-23125-00-00 Направляющая втулка, пера вилки 1 420грн.
Під замовлення
8 5PW-23110-00-00 Трубка внутренняя 1 0грн.
Недоступно до замовлення
9 5PW-23170-00-00 Цилиндр 0грн.
Недоступно до замовлення