Ми на зв'язку пн-пт: 10:00 - 18:00

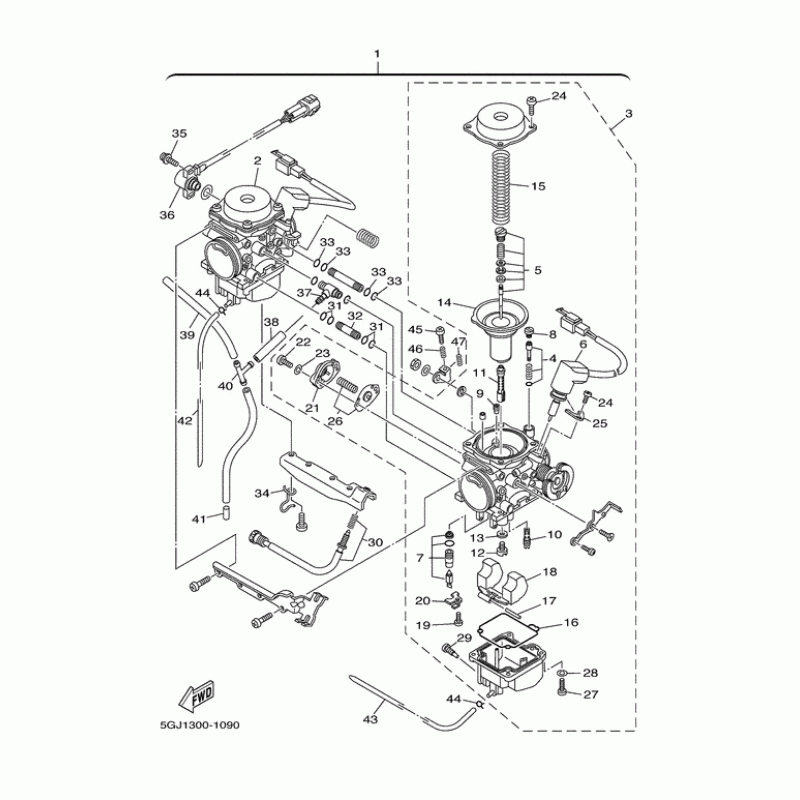
Схема вузла: Карбюратор Yamaha XP500 T-MAX

Виробники Yamaha
Код товару: XP500 T-MAX
7046грн.
Під замовлення
Деталізація вузла Карбюратор Yamaha XP500 T-MAX.

Деталі поставляються під замовлення, у відповідності з умовами поставки оригінальних запчастин.

Всі деталі оригінальні, їх сумісність з мотоциклом гарантована виробником за умови правильної ідентифікації моделі, року випуску та відсутності попередньої модифікації вузла власником.

Написати відгук
Примітка: HTML розмітка не підтримується! Використовуйте звичайний текст.

Немає відгуків про цей товар.

Model Наіменування Amount Кількість Доступність
1 5GJ-14900-20-00 Карбюратор в сборе 0грн.
Недоступно до замовлення
10 1NT-14142-22-00 Жиклёр (#22.5) 635грн.
Під замовлення
11 5GJ-1414N-30-00 Распылитель 1238грн.
Під замовлення
12 620-1423A-71-A0 Жиклер главный 586грн.
Під замовлення
12 620-1423A-71-00 Жиклёр главный (#102.5) 594грн.
Під замовлення
13 137-14153-00-00 Шайба 105грн.
Під замовлення
14 5GJ-24411-00-00 Диафрагма 5124грн.
Під замовлення
15 4VR-14933-00-00 Пружина диафрагмы 399грн.
Під замовлення
16 5GJ-14147-00-00 Прокладка поплавковой камеры 389грн.
Під замовлення
17 537-14186-00-00 Ось поплавка 88грн.
Під замовлення
18 4G0-14985-00-00 Поплавок 1457грн.
Під замовлення
19 98517-04006-00 Болт 69грн.
Під замовлення
19 98507-04006-00 Винт 70грн.
Під замовлення
2 5GJ-14901-20-00 Карбюратор 1 0грн.
Недоступно до замовлення
20 3UH-14945-00-00 Пластина 236грн.
Під замовлення
21 5AP-14280-00-00 Крышка 1184грн.
Під замовлення
22 985-07040-14-00 Винт 73грн.
Під замовлення
23 92907-04100-00 Шайба гроверная 64грн.
Під замовлення
24 985-07050-08-00 Винт 60грн.
Під замовлення
25 5GJ-14945-00-00 Пластина 174грн.
Під замовлення
26 5EL-1490H-00-00 Диафрагма 911грн.
Під замовлення
27 98517-04012-00 Винт 61грн.
Під замовлення
27 98507-04012-00 Винт 61грн.
Під замовлення
29 12R-14191-00-00 Пробка сливная 292грн.
Під замовлення
3 5GJ-14902-20-00 Карбюратор 2 0грн.
Недоступно до замовлення
30 5GJ-14103-00-00 Регулятор 1488грн.
Під замовлення
31 822-14147-00-00 Кольцо уплотнительное 240грн.
Під замовлення
31 36Y-14147-00-00 Кольцо уплотнительное 240грн.
Під замовлення
32 1WG-14251-00-00 Штуцер 466грн.
Під замовлення
34 5GJ-14919-00-00 Скоба 730грн.
Під замовлення
35 4WM-14565-00-00 Винт 102грн.
Під замовлення
36 4XY-85885-00-00 Датчик положения заслонки 7046грн.
Під замовлення
37 5GJ-14389-00-00 Тройник 617грн.
Під замовлення
38 5GJ-14197-00-00 Трубка 384грн.
Під замовлення
39 5GJ-14197-30-00 Трубка 420грн.
Під замовлення
4 5GJ-14105-00-00 Винт регулировочный, комплект 491грн.
Під замовлення
40 3H3-24376-00-00 Трубка 185грн.
Під замовлення
41 5GJ-14149-00-00 Трубка 266грн.
Під замовлення
42 5GJ-14348-00-00 Трубка 1 363грн.
Під замовлення
43 5GJ-14349-00-00 Трубка 343грн.
Під замовлення
44 14X-14937-00-00 Хомут 159грн.
Під замовлення
45 1WG-14922-00-00 Винт 159грн.
Під замовлення
46 1HX-14133-00-00 Пружина 99грн.
Під замовлення
47 620-14212-00-00 Пружина 82грн.
Під замовлення
5 5GJ-1490J-00-00 Игла, комплект 1030грн.
Під замовлення
6 5GJ-14993-00-00 Обогатитель 5215грн.
Під замовлення
7 4HM-14107-20-00 Клапан поплавковой камеры в сборе 1975грн.
Під замовлення
8 22F-14991-00-00 Колпачок винта 250грн.
Під замовлення
9 3G2-14231-17-00 Жиклёр (#85) 562грн.
Під замовлення