Ми на зв'язку пн-пт: 10:00 - 18:00

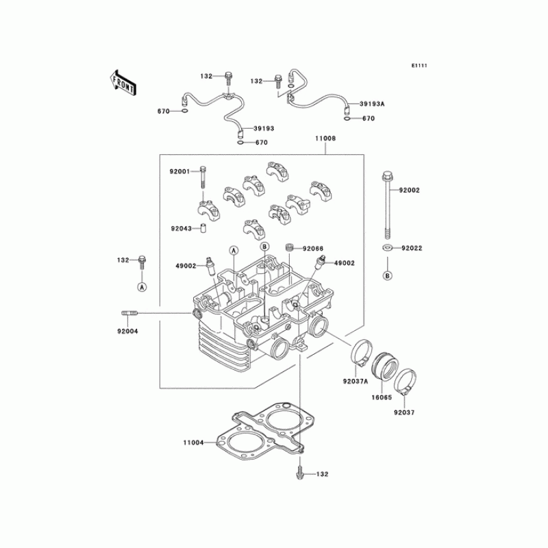
Схема вузла: Головка циліндра для Kawasaki ER500 ER-5

Виробники Kawasaki
Код товару: ER500-C2
45694грн.
Під замовлення
Деталізація вузла Головка циліндра для Kawasaki ER500 ER-5.

Деталі поставляються під замовлення, у відповідності з умовами поставки оригінальних запчастин.

Всі деталі оригінальні, їх сумісність з мотоциклом гарантована виробником за умови правильної ідентифікації моделі, року випуску та відсутності попередньої модифікації вузла власником.

Написати відгук
Примітка: HTML розмітка не підтримується! Використовуйте звичайний текст.

Немає відгуків про цей товар.

Model Наіменування Amount Кількість Доступність
11004 11004-1159 Прокладка 1779грн.
Під замовлення
11008 11008-1327 Головка цилиндра 45694грн.
Під замовлення
132 132BA0620 BOLT-FLANGED-SMALL,6X 65грн.
Під замовлення
132 132G0620 Болт 72грн.
Під замовлення
16065 16065-1130 Трубка 840грн.
Під замовлення
39193 39193-1038 PIPE-OIL,OIL,LH 1364грн.
Під замовлення
39193 39193-1039 PIPE-OIL,OIL,RH 1364грн.
Під замовлення
49002 49002-1052 Направляющая 834грн.
Під замовлення
670 670D1507 O-RING 97грн.
Під замовлення
92001 92001-1872 Болт 6X46 109грн.
Під замовлення
92002 92002-1943 Болт 10X164 312грн.
Під замовлення
92004 172BA0825 STUD 112грн.
Під замовлення
92004 92004-1214 Болт 112грн.
Під замовлення
92022 92022-1591 Шайба,10.5X20X1.6 101грн.
Під замовлення
92037 92037-1523 CLAMP 290грн.
Під замовлення
92037 92037-1304 Струбцина, ID=53, черная 231грн.
Під замовлення
92043 92043-1263 PIN,6.2X8X14 72грн.
Під замовлення
92066 92066-0002 Заглушка,PT1/2X12.5 188грн.
Під замовлення
92066 92066-1253 PLUG,PT1/2X12.5 210грн.
Під замовлення