Ми на зв'язку пн-пт: 10:00 - 18:00

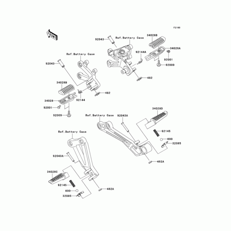
Схема вузла: Підніжки для Kawasaki ZX1200 Ninja ZX-12R

Виробники Kawasaki
Код товару: ZX1200-A2
3926грн.
Під замовлення
Деталізація вузла Підніжки для Kawasaki ZX1200 Ninja ZX-12R.

Деталі поставляються під замовлення, у відповідності з умовами поставки оригінальних запчастин.

Всі деталі оригінальні, їх сумісність з мотоциклом гарантована виробником за умови правильної ідентифікації моделі, року випуску та відсутності попередньої модифікації вузла власником.

Написати відгук
Примітка: HTML розмітка не підтримується! Використовуйте звичайний текст.

Немає відгуків про цей товар.

Model Наіменування Amount Кількість Доступність
32085 32085-0046 STOPPER,REAR STEP 79грн.
Під замовлення
32085 32085-1496 Стопор, задняя 87грн.
Під замовлення
34028 34028-1429 Подножка, передняя, правая 1262грн.
Під замовлення
34028 34028-1428 Подножка, передняя, левая 1255грн.
Під замовлення
34028 34028-1480 Подножка, задняя, левая 1765грн.
Під замовлення
34028 34028-0330 Подножка, задняя, правая 1765грн.
Під замовлення
34028 34028-1481 Подножка, задняя, правая 1765грн.
Під замовлення
34028 34028-0329 Подножка, задняя, левая 1765грн.
Під замовлення
34028 34028-1430 Штифт, передний, резиновый 677грн.
Є в наявності
482 482L0100 Кольцо стопорное E,10MM 115грн.
Під замовлення
482 482EA0100 CIRCLIP-TYPE-E,10MM 54грн.
Під замовлення
482 482EA5000 CIRCLIP-TYPE-E 54грн.
Під замовлення
482 482L5000 Кольцо стопорное E,5MM 108грн.
Під замовлення
600 600A0800 BALL STEEL 1/4' 58грн.
Під замовлення
92001 92001-1905 Болт 6X10 161грн.
Під замовлення
92009 92172-0976 SCREW,5X14 101грн.
Під замовлення
92009 92009-1404 Болт 2008грн.
Є в наявності
92043 92043-1595 Штифт,6X40 72грн.
Під замовлення
92043 92043-1594 Штифт,12X42.5 119грн.
Під замовлення
92144 92144-1567 Пружина, левая 135грн.
Під замовлення
92145 92145-1319 Пружина 69грн.
Під замовлення