Warning: unlink(/home/allmoto/web/allmoto.parts/storage/cache/cache.search.3.0.1.a0fe06ddd6d5391f8978440c4aa7f85b.1776982845): No such file or directory in /home/allmoto/web/allmoto.parts/public_html/system/library/cache/file.php on line 17 XV1600 Road Star Silverado(5GA5)
Ми на зв'язку пн-пт: 10:00 - 18:00

XV1600 Road Star Silverado(5GA5)


Деталізація вузла Бічна кришка Yamaha XV1600 Road Star Silverado. Деталі поставляються під замовленн..
0грн.
немає відгуків
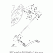
Деталізація вузла Вал перемикання Yamaha XV1600 Road Star Silverado. Деталі поставляються під замовл..
0грн.
немає відгуків
Деталізація вузла Вилка передньої осі Yamaha XV1600 Road Star Silverado. Деталі поставляються під за..
0грн.
немає відгуків
Деталізація вузла Вихлопна система Yamaha XV1600 Road Star Silverado. Деталі поставляються під замов..
0грн.
немає відгуків
Деталізація вузла Впускна система Yamaha XV1600 Road Star Silverado. Деталі поставляються під замовл..
0грн.
немає відгуків
Деталізація вузла Генератор Yamaha XV1600 Road Star Silverado. Деталі поставляються під замовлення, ..
0грн.
немає відгуків
Деталізація вузла Головка циліндра Yamaha XV1600 Road Star Silverado. Деталі поставляються під замов..
0грн.
немає відгуків
Деталізація вузла Електроустаткування (1) Yamaha XV1600 Road Star Silverado. Деталі поставляються пі..
0грн.
немає відгуків
Деталізація вузла Електроустаткування (2) Yamaha XV1600 Road Star Silverado. Деталі поставляються пі..
0грн.
немає відгуків
Деталізація вузла Заднє колесо Yamaha XV1600 Road Star Silverado. Деталі поставляються під замовленн..
0грн.
немає відгуків
Деталізація вузла Задній гальмівний супорт Yamaha XV1600 Road Star Silverado. Деталі поставляються п..
0грн.
немає відгуків
Деталізація вузла Задній гальмівний циліндр Yamaha XV1600 Road Star Silverado. Деталі поставляються ..
0грн.
немає відгуків
Деталізація вузла Задній ліхтар (Стоп-сигнал) Yamaha XV1600 Road Star Silverado. Деталі поставляютьс..
0грн.
немає відгуків
Деталізація вузла Задний рычаг и Подвеска Yamaha XV1600 Road Star Silverado. Деталі поставляються пі..
0грн.
немає відгуків
Деталізація вузла Карбюратор Yamaha XV1600 Road Star Silverado. Деталі поставляються під замовлення,..
0грн.
немає відгуків
Деталізація вузла Картер двигуна Yamaha XV1600 Road Star Silverado. Деталі поставляються під замовле..
0грн.
немає відгуків
Деталізація вузла Кермо та Тросики Yamaha XV1600 Road Star Silverado. Деталі поставляються під замов..
0грн.
немає відгуків
Деталізація вузла Клапан Yamaha XV1600 Road Star Silverado. Деталі поставляються під замовлення, у в..
0грн.
немає відгуків
Деталізація вузла Колінчастий вал та Поршень Yamaha XV1600 Road Star Silverado. Деталі поставляються..
0грн.
немає відгуків
Деталізація вузла Копірний вал і вилки Yamaha XV1600 Road Star Silverado. Деталі поставляються під з..
0грн.
немає відгуків
Показано з 1 до 20 з 43 (3 сторінок)