Ми на зв'язку пн-пт: 10:00 - 18:00

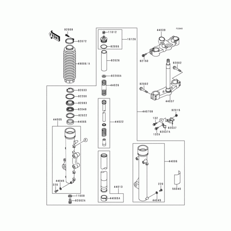
Схема вузла: Вилка передньої осі для Kawasaki KLE500

Виробники Kawasaki
Код товару: KLE500-A10
42982грн.
Під замовлення
Деталізація вузла Вилка передньої осі для Kawasaki KLE500.

Деталі поставляються під замовлення, у відповідності з умовами поставки оригінальних запчастин.

Всі деталі оригінальні, їх сумісність з мотоциклом гарантована виробником за умови правильної ідентифікації моделі, року випуску та відсутності попередньої модифікації вузла власником.

Написати відгук
Примітка: HTML розмітка не підтримується! Використовуйте звичайний текст.

Немає відгуків про цей товар.

Model Наіменування Amount Кількість Доступність
11009 11009-1553 GASKET,FORK DRAIN PLU 135грн.
Під замовлення
11012 11012-1391 Заглушка 135грн.
Під замовлення
132 92002-1607 BOLT 104грн.
Під замовлення
132 132BB0612 BOLT-FLANGED-SMALL,6X 61грн.
Під замовлення
132 132J0612 Болт 0грн.
Недоступно до замовлення
132 132E0620 Болт 0грн.
Недоступно до замовлення
16126 16126-1147 Клапан 1717грн.
Під замовлення
220 220B0406 SCREW-PAN CROS,4X6 65грн.
Під замовлення
220 220AA0406 SCREW-PAN CROS,4X6 61грн.
Під замовлення
44005 44005-1338 Труба вилки, левая 11519грн.
Під замовлення
44006 44006-1336 Труба вилки, правая 11519грн.
Під замовлення
44013 44013-1398 Труба 10701грн.
Під замовлення
44022 44022-1265 Цилиндр 5152грн.
Під замовлення
44026 44026-1494 Пружина 0грн.
Недоступно до замовлення
44037 44037-1286 Держатель вилки нижний 15220грн.
Під замовлення
44039 44039-1215 Трубка 7258грн.
Під замовлення
44045 44045002 Прокладка 129грн.
Під замовлення
44065 44065-1085 Втулка 696грн.
Під замовлення
44065 44065-1086 BUSHING-FRONT FORK,IN 696грн.
Під замовлення
44070 44071-5001 ダンパアツシ 21591грн.
Під замовлення
44070 44071-5002 ダンパアツシ 21591грн.
Під замовлення
44070 44070-5178 Damper-assy,fork 42982грн.
Під замовлення
49006 49006-1266-BD Колпак , черный 1965грн.
Під замовлення
56040 56040-1120 Этикетка 151грн.
Під замовлення
92002 92002-1476 Болт 263грн.
Під замовлення
92002 92002-1650 Болт 323грн.
Під замовлення
92009 92009-1348 Болт 119грн.
Під замовлення
92015 92015-1603 Гайка 104грн.
Під замовлення
92022 92022-1298 WASHER,FORK OUTER TUB 183грн.
Під замовлення
92026 92026-1404 Кольцо/шайба 204грн.
Під замовлення
92033 92033-1036 CIRCLIP 129грн.
Під замовлення
92037 92037-1898 Струбцина 188грн.
Під замовлення
92037 92037-1897 Струбцина 366грн.
Під замовлення
92049 92049-1389 Сальник 511грн.
Під замовлення
92055 670B3032 0 RING,32MM 172грн.
Під замовлення
92055 92055-1321 Кольцо-O 172грн.
Під замовлення
92072 92072-1077 Лента 221грн.
Під замовлення
92093 92093-1206 Уплотнение 468грн.
Під замовлення
92150 92150-1307 BOLT 119грн.
Під замовлення
92150 120CB0830 BOLT-SOCKET,8X30,BLAC 69грн.
Під замовлення
92200 92200-1091 Шайба 161грн.
Під замовлення
92200 92200-1191 Шайба 231грн.
Під замовлення