Ми на зв'язку пн-пт: 10:00 - 18:00

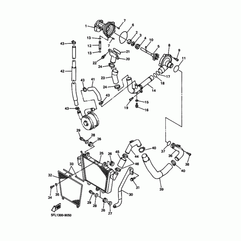
Схема вузла: Водяна помпа і радіатор Yamaha YZF-R7 R7

Виробники Yamaha
Код товару: YZF-R7 R7
5614грн.
Під замовлення
Деталізація вузла Водяна помпа і радіатор Yamaha YZF-R7 R7.

Деталі поставляються під замовлення, у відповідності з умовами поставки оригінальних запчастин.

Всі деталі оригінальні, їх сумісність з мотоциклом гарантована виробником за умови правильної ідентифікації моделі, року випуску та відсутності попередньої модифікації вузла власником.

Написати відгук
Примітка: HTML розмітка не підтримується! Використовуйте звичайний текст.

Немає відгуків про цей товар.

Model Наіменування Amount Кількість Доступність
1 4XV-12421-00-00 Корпус помпы охлаждения 5614грн.
Під замовлення
10 93603-17070-00 Штифт 66грн.
Під замовлення
11 932-10357-A2-00 Кольцо уплотнительное 80грн.
Під замовлення
12 4XV-12485-00-00 Трубка 220грн.
Під замовлення
13 932-10066-67-00 Кольцо (26H) 80грн.
Під замовлення
14 5FL-12481-00-00 Pipe 1 0грн.
Недоступно до замовлення
15 904-30060-14-00 Прокладка 66грн.
Під замовлення
16 90163-06002-00 Болт 111грн.
Під замовлення
16 90153-06029-00 Болт 78грн.
Під замовлення
17 93210-235A1-00 Кольцо уплотнительное 82грн.
Під замовлення
18 93210-27778-00 Кольцо уплотнительное 167грн.
Під замовлення
18 93210-27370-00 Кольцо уплотнительное 143грн.
Під замовлення
19 91317-06012-00 Болт 60грн.
Під замовлення
19 90110-06226-00 Болт 61грн.
Під замовлення
2 93306-00106-00 Подшипник 359грн.
Під замовлення
2 93306-00105-00 Подшипник 470грн.
Є в наявності
20 4XV-12469-00-00 Патрубок 1048грн.
Під замовлення
21 93210-47675-00 Кольцо уплотнительное 81грн.
Під замовлення
22 95024-06020-00 Болт 74грн.
Під замовлення
22 90105-06399-00 Болт с шайбой 74грн.
Під замовлення
23 5FL-12576-00-00 Hose 1 0грн.
Недоступно до замовлення
24 90450-38040-00 Хомут 148грн.
Під замовлення
25 5FL-12461-10-00 Radiator Assembly 0грн.
Недоступно до замовлення
26 90480-15001-00 Втулка демпфирующая 114грн.
Під замовлення
27 90387-0614M-00 Втулка 128грн.
Під замовлення
28 90201-063J2-00 Шайба 101грн.
Під замовлення
28 90201-06071-00 Шайба 102грн.
Під замовлення
29 95817-06025-00 Болт 60грн.
Під замовлення
29 95827-06025-00 Болт 61грн.
Під замовлення
3 93102-12372-00 Сальник 185грн.
Під замовлення
30 5FL-12637-00-00 Stay 1 0грн.
Недоступно до замовлення
31 958-17060-12-00 Болт 60грн.
Під замовлення
31 95827-06012-00 Болт 61грн.
Під замовлення
32 5FL-12467-00-00 Cover, Radiator 0грн.
Недоступно до замовлення
33 4TX-12465-00-00 Дэмпфер радиатора 148грн.
Під замовлення
34 98507-05016-00 Винт 60грн.
Під замовлення
35 92907-05600-00 Шайба 60грн.
Під замовлення
36 5FL-12484-00-00 Pipe 4 0грн.
Недоступно до замовлення
37 932-10237-87-00 Кольцо уплотнительное 69грн.
Під замовлення
39 5FL-12551-00-00 Hose 7 0грн.
Недоступно до замовлення
4 11H-12438-10-00 Уплотнение механическое 1353грн.
Під замовлення
4 11H-12438-00-00 Уплотнение помпы механическое 1353грн.
Під замовлення
41 5FL-12588-00-00 Hose 5 0грн.
Недоступно до замовлення
42 5FL-12589-00-00 Hose 6 0грн.
Недоступно до замовлення
43 90450-22M14-00 Зажим шланга в сборе (64Х) 257грн.
Під замовлення
43 90450-22017-00 Хомут 261грн.
Під замовлення
44 5FL-12485-00-00 Pipe 5 0грн.
Недоступно до замовлення
45 5FL-12552-10-00 Hose 8 0грн.
Недоступно до замовлення
5 4XV-12450-00-00 Вал с крыльчаткой помпы 2336грн.
Під замовлення
6 4XV-12439-00-00 Кольцо уплотнительное 250грн.
Під замовлення
7 93604-10011-00 Штифт 81грн.
Під замовлення
8 4XV-12422-00-00 Крышка помпы охлаждения 3451грн.
Під замовлення
9 913-17060-25-00 Болт 60грн.
Під замовлення