Ми на зв'язку пн-пт: 10:00 - 18:00

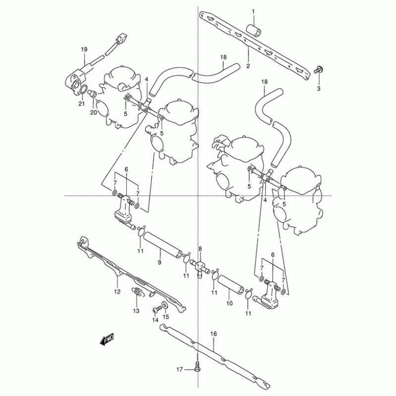
Схема вузла: З'єднувачі карбюратора для Suzuki GSX1200

Виробники Suzuki
Код товару: GSX1200X(E4) X
3396грн.
Під замовлення
Деталізація вузла З'єднувачі карбюратора для Suzuki GSX1200.

Деталі поставляються під замовлення, у відповідності з умовами поставки оригінальних запчастин.

Всі деталі оригінальні, їх сумісність з мотоциклом гарантована виробником у випадку правильної ідентифікації моделі та року випуску, та відсутності попередньої модифікації вузла власником.

Написати відгук
Примітка: HTML розмітка не підтримується! Використовуйте звичайний текст.

Немає відгуків про цей товар.

Model Наіменування Amount Кількість Доступність
1 13684-26E00 PIPE 81грн.
Під замовлення
10 13319-03F60 New Genuine Part 0грн.
Недоступно до замовлення
11 13671-26E10 CLAMP 0грн.
Недоступно до замовлення
12 13413-26E00 Ручка стартера 0грн.
Недоступно до замовлення
13 13417-26E20 Пружина 0грн.
Недоступно до замовлення
14 13602-26E60 Болт 0грн.
Недоступно до замовлення
15 13418-26E10 Шайба 0грн.
Недоступно до замовлення
16 13628-26E00 Стойка, плата 1060грн.
Під замовлення
17 13602-26E40 Болт 74грн.
Під замовлення
18 09352-70119-600 Hose(7X11X600) 0грн.
Недоступно до замовлення
18 09352-70113-600 Шланг топливный 148грн.
Під замовлення
19 13580-03F00 SENSOR,THROTTLE 0грн.
Недоступно до замовлення
2 13628-26E10 Стойка, плата 0грн.
Недоступно до замовлення
20 13574-03F00 COLLAR 0грн.
Недоступно до замовлення
21 13575-03F00 O RING 0грн.
Недоступно до замовлення
3 13602-26E50 Болт 74грн.
Під замовлення
4 13685-26E20 JOINT 0грн.
Недоступно до замовлення
5 13673-26E01 O Ring 0грн.
Недоступно до замовлення
5 13673-26E00 O RING 0грн.
Недоступно до замовлення
6 13685-26E40 Joint set 0грн.
Недоступно до замовлення
8 13685-26E30 JOINT 0грн.
Недоступно до замовлення
9 13318-03F60 New Genuine Part 0грн.
Недоступно до замовлення