Ми на зв'язку пн-пт: 10:00 - 18:00

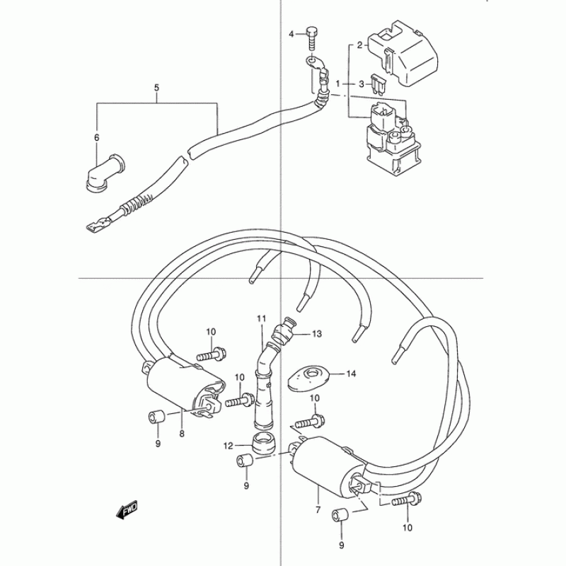
Схема вузла: Електроустаткування для Suzuki GSX1200

Виробники Suzuki
Код товару: GSX1200X(E4) X
3061грн.
Під замовлення
Деталізація вузла Електроустаткування для Suzuki GSX1200.

Деталі поставляються під замовлення, у відповідності з умовами поставки оригінальних запчастин.

Всі деталі оригінальні, їх сумісність з мотоциклом гарантована виробником у випадку правильної ідентифікації моделі та року випуску, та відсутності попередньої модифікації вузла власником.

Написати відгук
Примітка: HTML розмітка не підтримується! Використовуйте звичайний текст.

Немає відгуків про цей товар.

Model Наіменування Amount Кількість Доступність
1 31800-21E20 Реле стартера 1905грн.
Під замовлення
10 01500-0635B Болт 57грн.
Під замовлення
10 01500-0635A Болт 57грн.
Під замовлення
10 01500-06353 Болт 57грн.
Під замовлення
11 33510-48B10 Крышка свечи зажигания 609грн.
Під замовлення
12 33541-23E01 SEAL,SPARK PLUG CAP 0грн.
Недоступно до замовлення
13 33542-38B00 Уплотнение 75грн.
Під замовлення
14 33543-48B00 COVER,SPARK PLUG CAP 749грн.
Під замовлення
2 31861-47E00 Крышка 231грн.
Під замовлення
2 31861-21E20 Cover, relay assy 220грн.
Під замовлення
3 09481-30101 Предохранитель 65грн.
Під замовлення
4 09128-06013 SCREW(6X8) 58грн.
Під замовлення
5 33810-03F10 New Genuine Part 614грн.
Під замовлення
6 31861-48B10 Крышка 128грн.
Під замовлення
7 33410-03F10 COIL ASSY,IGNITION 0грн.
Недоступно до замовлення
8 33420-03F10 COIL ASSY,IGNITION 0грн.
Недоступно до замовлення
9 09180-06198 SPACER(6.2X12X16) 74грн.
Під замовлення