Ми на зв'язку пн-пт: 10:00 - 18:00

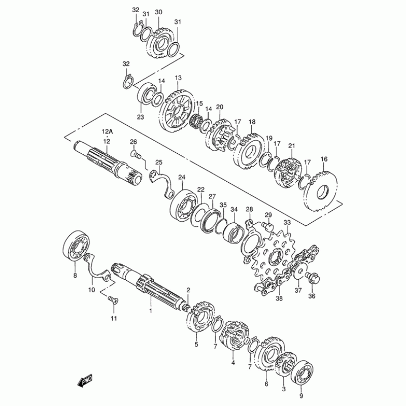
Схема вузла: Трансмісія для Suzuki DF200

Виробники Suzuki
Код товару: DF200EW(E24) W
3485грн.
Під замовлення
Деталізація вузла Трансмісія для Suzuki DF200.

Деталі поставляються під замовлення, у відповідності з умовами поставки оригінальних запчастин.

Всі деталі оригінальні, їх сумісність з мотоциклом гарантована виробником у випадку правильної ідентифікації моделі та року випуску, та відсутності попередньої модифікації вузла власником.

Написати відгук
Примітка: HTML розмітка не підтримується! Використовуйте звичайний текст.

Немає відгуків про цей товар.

Model Наіменування Amount Кількість Доступність
1 24120-42A01 SHAFT,COUNTER(NT:11) 5698грн.
Під замовлення
10 24741-05200 RETAINER,DRIVE SHAFT BEARING 102грн.
Під замовлення
11 02122-0612B Болт 57грн.
Під замовлення
11 02122-0612A Болт 56грн.
Під замовлення
11 02122-06123 Болт 57грн.
Під замовлення
12 24130-42A20 Вал ведущий 3046грн.
Під замовлення
12 24130-42A01 Вал ведущий 3402грн.
Під замовлення
13 24311-42A00 GEAR,1ST DRIVEN 2279грн.
Під замовлення
14 09181-17167 Шайба 81грн.
Під замовлення
15 09263-17004 BEARING(17X21X9.8) 173грн.
Під замовлення
16 24320-42A03 GEAR,2ND DRIVEN(NT:29) 2053грн.
Під замовлення
16 24320-42A02 Gear, 2nd driven (nt:29) 0грн.
Недоступно до замовлення
17 09380-22006 КЛИПС 81грн.
Під замовлення
18 24331-42A02 GEAR,3RD DRIVEN(NT:23) 1647грн.
Під замовлення
18 24331-42A01 Gear, 3rd driven (nt:23) 0грн.
Недоступно до замовлення
19 09167-22011 Пластина замка 74грн.
Під замовлення
2 24125-38201 Втулка 95грн.
Під замовлення
20 24341-42A02 GEAR,4TH DRIVEN(NT:23) 1805грн.
Під замовлення
21 24351-42A02 GEAR,5TH DRIVEN 1805грн.
Під замовлення
22 24359-42A00 WASHER,OIL SEALING 88грн.
Під замовлення
23 09264-17001 BEARING(17X36X12) 611грн.
Під замовлення
24 09262-22018 BEARING 377грн.
Під замовлення
27 09283-30053 Сальник 239грн.
Під замовлення
28 24751-42A10 RETAINER,DRIVE SHAFT OIL SEAL 188грн.
Під замовлення
28 24751-42A01 Holder, oil seal 184грн.
Під замовлення
29 01500-0610B Болт 57грн.
Під замовлення
29 01500-06103 Болт 57грн.
Під замовлення
3 24221-42A02 GEAR,2ND DRIVE 1534грн.
Під замовлення
30 26260-42A02 GEAR,KICK STARTER IDLE(NT:24) 1157грн.
Під замовлення
31 08211-17221 WASHER 74грн.
Під замовлення
32 08331-31179 Стопорное кольцо 61грн.
Під замовлення
32 08331-31176 Circlip 61грн.
Під замовлення
33 27511-19A01 SPROCKET,ENGINE(12T) 1157грн.
Під замовлення
34 27531-42A00 SPACER,ENGINE SPROCKET 363грн.
Під замовлення
35 09280-21008 КОЛЬЦО УПЛОТНИТЕЛЬНОЕ 80грн.
Під замовлення
36 01550-0812B Заглушка масляной магистрали 61грн.
Під замовлення
36 01550-0812A БОЛТ 61грн.
Під замовлення
36 01550-08123 БОЛТ 61грн.
Під замовлення
37 08211-08283 Шайба 67грн.
Під замовлення
38 27600-14A20-112 CHAIN(DID520V0) 0грн.
Недоступно до замовлення
38 27600-14A10-112 Цепь 0грн.
Недоступно до замовлення
4 24231-42A03 GEAR,3RD DRIVE(NT:16) 2279грн.
Під замовлення
5 24241-42A00 GEAR,4TH DRIVE 1805грн.
Під замовлення
6 24251-42A10 GEAR,5TH DRIVE(NT:23) 1647грн.
Під замовлення
6 24251-42A03 Gear, 5th drive (nt:23) 1827грн.
Під замовлення
7 09380-20009 КЛИПС 74грн.
Під замовлення
8 09262-20069 ПОДШИПНИК КАЧЕНИЯ 333грн.
Під замовлення
9 08123-60027 BEARING 341грн.
Під замовлення