Ми на зв'язку пн-пт: 10:00 - 18:00

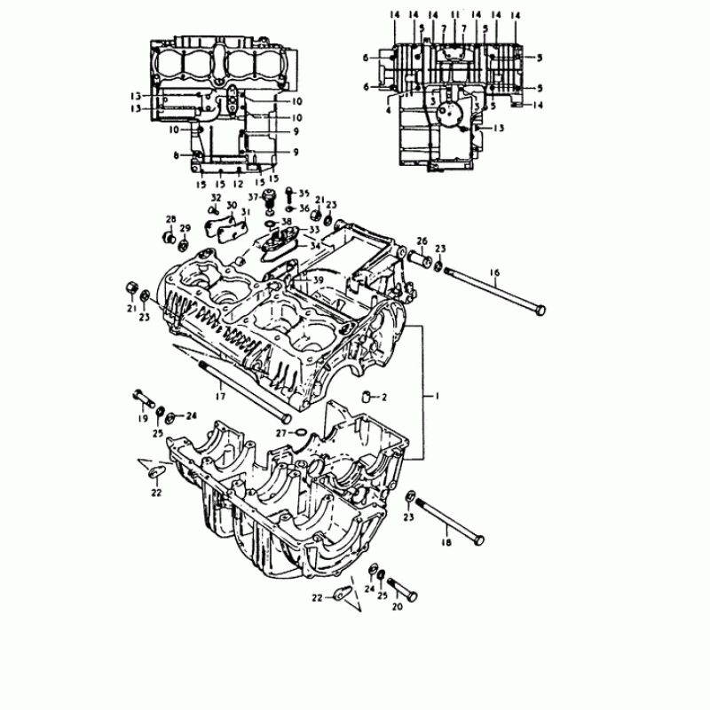
Схема вузла: Картер двигуна для Suzuki GS1000

Виробники Suzuki
Код товару: GS1000HT(T) T
626грн.
Під замовлення
Деталізація вузла Картер двигуна для Suzuki GS1000.

Деталі поставляються під замовлення, у відповідності з умовами поставки оригінальних запчастин.

Всі деталі оригінальні, їх сумісність з мотоциклом гарантована виробником у випадку правильної ідентифікації моделі та року випуску, та відсутності попередньої модифікації вузла власником.

Написати відгук
Примітка: HTML розмітка не підтримується! Використовуйте звичайний текст.

Немає відгуків про цей товар.

Model Наіменування Amount Кількість Доступність
1 11300-49810 Crankcase set* 0грн.
Недоступно до замовлення
10 01550-06757 Болт 6X75 62грн.
Під замовлення
10 01517-06758 Болт 0грн.
Недоступно до замовлення
11 01550-06507 Болт 58грн.
Під замовлення
11 01517-06508 Болт 6X50 0грн.
Недоступно до замовлення
12 01550-06457 Болт 58грн.
Під замовлення
12 01517-06458 Болт крепёжный 0грн.
Недоступно до замовлення
13 01550-06407 БОЛТ 58грн.
Під замовлення
13 01517-06408 Болт 0грн.
Недоступно до замовлення
14 01550-06357 БОЛТ 58грн.
Під замовлення
14 01517-06358 6 x 35 bolt 0грн.
Недоступно до замовлення
15 01550-06307 Болт 58грн.
Під замовлення
15 01517-06308 Болт 0грн.
Недоступно до замовлення
16 09100-10110-XC0 BOLT(10X265) 964грн.
Під замовлення
16 09100-10110 Eng mount bolt 0грн.
Недоступно до замовлення
17 09101-10010 Болт нижний 486грн.
Під замовлення
17 09101-10010-XC0 BOLT(10X250) 534грн.
Під замовлення
18 09100-10078 БОЛТ 389грн.
Під замовлення
19 01500-1060A Болт 68грн.
Під замовлення
19 01107-10608 Болт 0грн.
Недоступно до замовлення
2 09206-13001 Pin 0грн.
Недоступно до замовлення
2 04211-13189 ШТИФТ 67грн.
Під замовлення
20 01500-1050A Болт 65грн.
Під замовлення
20 01107-10508 Болт 0грн.
Недоступно до замовлення
21 09159-10011 Гайка 81грн.
Під замовлення
22 09159-10020 NUT 171грн.
Під замовлення
23 08322-11108 Шайба 0грн.
Недоступно до замовлення
23 08322-01107 Шайба 56грн.
Під замовлення
24 09160-10005 WASHER(10.5X20X3.2) 64грн.
Під замовлення
25 08321-21108 Пластина замка 0грн.
Недоступно до замовлення
25 08321-01107 Шайба, стопорная 56грн.
Під замовлення
26 11610-49300 SPACER 0грн.
Недоступно до замовлення
26 11610-49000 Кольцо/шайба 0грн.
Недоступно до замовлення
27 09280-13001 O RING(D:3.2,ID:12.9) 95грн.
Під замовлення
28 09247-14026 Пробка редуктора сливная 98грн.
Під замовлення
28 09247-14012 Заглушка дренажная 78грн.
Під замовлення
29 09168-14004 Прокладка 67грн.
Під замовлення
3 09103-08106 BOLT(8X125) 0грн.
Недоступно до замовлення
3 09103-08020 Болт 0грн.
Недоступно до замовлення
30 11394-45000 CAP,OIL GALLERY 0грн.
Недоступно до замовлення
31 11497-45000 Прокладка 0грн.
Недоступно до замовлення
31 11497-45000-H17 Прокладка 0грн.
Недоступно до замовлення
32 02122-06168 Болт 0грн.
Недоступно до замовлення
32 02122-06167 Болт 56грн.
Під замовлення
33 16445-45000 Корпус переключателя 1196грн.
Під замовлення
34 16448-45000 O RING,PRESSURE SWITCH HOUSING 478грн.
Під замовлення
35 01550-06257 БОЛТ 58грн.
Під замовлення
35 01517-06258 Болт 0грн.
Недоступно до замовлення
36 09168-06023 ПРОКЛАДКА 71грн.
Під замовлення
36 09168-06009 Прокладка 0грн.
Недоступно до замовлення
37 37820-45061 SWITCH ASSY,OIL PRESSURE 998грн.
Під замовлення
37 37820-45050 Переключатель прессуры масла 0грн.
Недоступно до замовлення
38 09280-19001 КОЛЬЦО 78грн.
Під замовлення
39 31271-45001 Grommet 0грн.
Недоступно до замовлення
4 09103-08070 BOLT(8X100) 88грн.
Під замовлення
4 09103-08009 Болт 0грн.
Недоступно до замовлення
5 01550-08907 Болт 81грн.
Під замовлення
5 01517-08908 Болт 0грн.
Недоступно до замовлення
6 01550-08657 БОЛТ 68грн.
Під замовлення
6 01517-08658 Bolt 8x65 (l:65) 0грн.
Недоступно до замовлення
7 01550-08607 БОЛТ 68грн.
Під замовлення
7 01517-08608 Болт 0грн.
Недоступно до замовлення
8 01550-08507 БОЛТ 65грн.
Під замовлення
8 01517-08508 Bolt 8x50 0грн.
Недоступно до замовлення
9 01550-06857 Болт 67грн.
Під замовлення
9 01517-06858 Болт 0грн.
Недоступно до замовлення