Ми на зв'язку пн-пт: 10:00 - 18:00

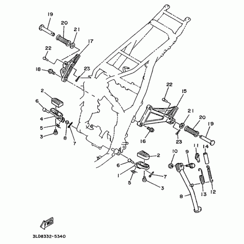
Схема вузла: Підножки і Підставка Yamaha XTZ750 Super Tenere

Виробники Yamaha
Код товару: XTZ750 Super Tenere
3174грн.
Під замовлення
Деталізація вузла Підножки і Підставка Yamaha XTZ750 Super Tenere.

Деталі поставляються під замовлення, у відповідності з умовами поставки оригінальних запчастин.

Всі деталі оригінальні, їх сумісність з мотоциклом гарантована виробником за умови правильної ідентифікації моделі, року випуску та відсутності попередньої модифікації вузла власником.

Написати відгук
Примітка: HTML розмітка не підтримується! Використовуйте звичайний текст.

Немає відгуків про цей товар.

Model Наіменування Amount Кількість Доступність
1 3LD-27411-10-00 Footrest 1 1117грн.
Під замовлення
1 3LD-27411-00-00 Footrest 1 1179грн.
Під замовлення
10 901-85121-19-00 Гайка самоконтрящаяся 252грн.
Під замовлення
11 3GJ-27315-00-00 Соединение, боковое 598грн.
Під замовлення
12 90506-18224-00 Пружина 164грн.
Під замовлення
13 90506-26225-00 Пружина 210грн.
Під замовлення
14 1TX-27351-00-00 Трубка 159грн.
Під замовлення
15 3LD-2741L-11-00 Bracket 4 0грн.
Недоступно до замовлення
16 90109-087F1-00 Болт 91грн.
Під замовлення
17 3LD-27421-11-00 Footrest 2 0грн.
Недоступно до замовлення
19 2GV-27431-00-00 Подножка задняя 715грн.
Під замовлення
19 120-27431-00-00 Подножка 726грн.
Під замовлення
2 3LD-27413-00-00 Накладка подножки 814грн.
Під замовлення
20 120-27433-00-00 Кожух подножки 261грн.
Під замовлення
21 902-01202-79-00 Шайба 66грн.
Під замовлення
22 91702-06038-00 Палец 69грн.
Під замовлення
22 91701-06038-00 Pin 91грн.
Під замовлення
23 914-90200-25-00 Шплинт 74грн.
Під замовлення
23 91490-20020-00 Шплинт 74грн.
Під замовлення
3 91317-06010-00 Болт 60грн.
Під замовлення
4 3LD-27421-10-00 Footrest 2 1117грн.
Під замовлення
4 3LD-27421-00-00 Footrest 2 1179грн.
Під замовлення
5 90508-20583-00 Пружина 78грн.
Під замовлення
6 90240-10101-00 Палец 231грн.
Під замовлення
7 91490-25020-00 Шплинт 72грн.
Під замовлення
7 91401-25020-00 Шплинт 73грн.
Під замовлення
8 3LD-27311-00-R4 Подставка 3128грн.
Під замовлення
8 3LD-27311-01-00 Подставка 3174грн.
Під замовлення
9 90105-12616-00 Болт с шайбой 405грн.
Під замовлення