Warning: unlink(/home/allmoto/web/allmoto.parts/storage/cache/cache.search.3.0.1.6ba586a2797449fbae1419c86ebedb22.1772208225): No such file or directory in /home/allmoto/web/allmoto.parts/public_html/system/library/cache/file.php on line 17 Схема вузла: Вилка передньої осі для Kawasaki ZX600 Ninja ZX-6
Ми на зв'язку пн-пт: 10:00 - 18:00

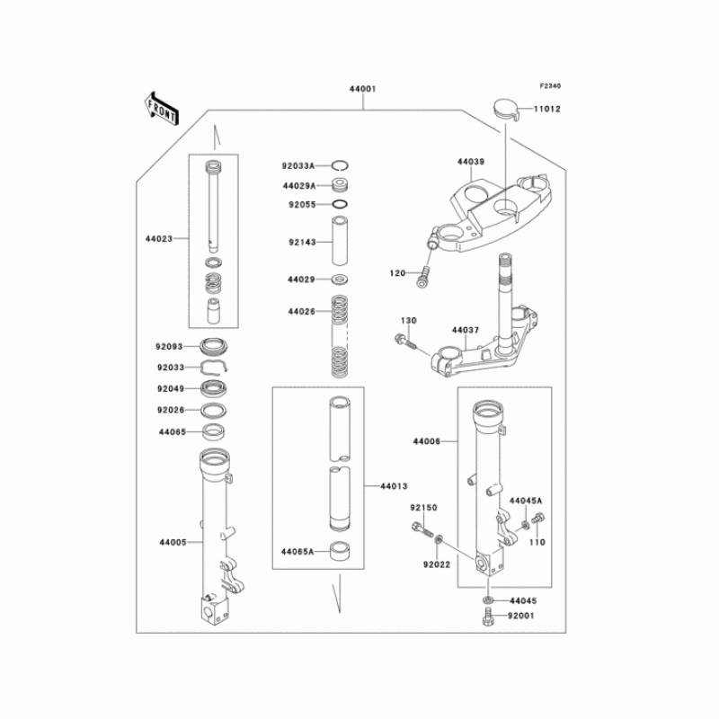
Схема вузла: Вилка передньої осі для Kawasaki ZX600 Ninja ZX-6

Виробники Kawasaki
Код товару: ZX600-D4
597грн.
Під замовлення
Деталізація вузла Вилка передньої осі для Kawasaki ZX600 Ninja ZX-6.

Деталі поставляються під замовлення, у відповідності з умовами поставки оригінальних запчастин.

Всі деталі оригінальні, їх сумісність з мотоциклом гарантована виробником за умови правильної ідентифікації моделі, року випуску та відсутності попередньої модифікації вузла власником.

Написати відгук
Примітка: HTML розмітка не підтримується! Використовуйте звичайний текст.

Немає відгуків про цей товар.

Model Наіменування Amount Кількість Доступність
110 110B0608 BOLT HEX HEAD 6X8 0грн.
Недоступно до замовлення
110 112AA0608 Болт 61грн.
Під замовлення
11012 11012-1733-GD CAP,FORK,G.GRAY 0грн.
Недоступно до замовлення
120 120CA0840 BOLT-SOCKET,8X40 69грн.
Під замовлення
120 120P0840 BOLT-SOCKET,8X40 79грн.
Під замовлення
130 130BB0840 BOLT-FLANGED,8X40 69грн.
Під замовлення
130 130J0840 Болт ,8X40 79грн.
Під замовлення
44001 44001-1757-10 FORK-FRONT,BLACK 0грн.
Недоступно до замовлення
44005 44005-1303-10 PIPE-LEFT FORK OUTER, 0грн.
Недоступно до замовлення
44006 44006-1299-10 Трубка правой вилки, внешняя 0грн.
Недоступно до замовлення
44013 44013-1323 Труба 0грн.
Недоступно до замовлення
44023 44023-1072 Цилиндр 0грн.
Недоступно до замовлення
44026 44026-1468 Пружина 0грн.
Недоступно до замовлення
44029 44029-1143 Уплотнение пружины вилки 0грн.
Недоступно до замовлення
44029 44029-1131 Уплотнение пружины вилки 274грн.
Під замовлення
44037 44037-1264 Держатель вилки нижний 0грн.
Недоступно до замовлення
44039 44039-1197-GD HOLDER-FORK UPPER,G.G 0грн.
Недоступно до замовлення
44045 44045051 Прокладка 156грн.
Під замовлення
44045 44045047 Прокладка 220грн.
Під замовлення
44045 44045052 GASKET,DRAIN PLUG 0грн.
Недоступно до замовлення
44065 44065-1087 BUSHING-FRONT FORK,IN 0грн.
Недоступно до замовлення
44065 44065-1079 Втулка 553грн.
Під замовлення
92001 92001-1464 BOLT,FORK DRAIN 119грн.
Під замовлення
92022 92022-1969 Шайба 108грн.
Під замовлення
92026 92026-1276 Прокладка вилки 215грн.
Під замовлення
92033 92033-1273 Кольцо 0грн.
Недоступно до замовлення
92033 92033-1222 RING-SNAP,FORK OUTER 129грн.
Під замовлення
92055 92055-1420 RING-O,FORK TOP 112грн.
Під замовлення
92143 92143-1434 COLLAR 0грн.
Недоступно до замовлення
92150 92002-1285 Болт ,8X40 0грн.
Недоступно до замовлення
92150 92150-1183 BOLT,SOCKET,8X40 0грн.
Недоступно до замовлення