Мы на связи пн-пт: 10:00 - 18:00

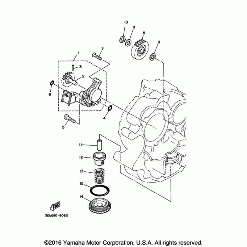
Схема узла: Масляный насос Yamaha XV250 V-Star

Производители Yamaha
Код Товара: XV250 V-Star
4194грн.
Под заказ
Детализация узла Масляный насос Yamaha XV250 V-Star.

Детали поставляются под заказ в соответствии с условиями поставки оригинальных запчастей.

Все детали оригальные, их совместимость гарантирована производителем при условии правильной идентификации модели, года выпуска и отсутсвия предварительной модификации узла владельцем мотоцикла.

Написать отзыв
Примечание: HTML разметка не поддерживается! Используйте обычный текст.

Нет отзывов об этом товаре.

Модель Наименование Сумма Кол-во Доступность
1 2UJ-13300-10-00 OIL PUMP ASSY 4194грн.
Под заказ
1 2UJ-13300-00-00 Масляная помпа 4194грн.
Под заказ
10 99009-10400-00 Кольцо стопорное 74грн.
Под заказ
11 2XK-13416-00-00 Трубка 113грн.
Под заказ
11 3Y1-13416-01-00 Трубка 138грн.
Под заказ
12 51Y-13411-00-00 Элемент фильтрующий 378грн.
Под заказ
12 5YP-E3411-00-00 Фильтр масляный 94грн.
Под заказ
13 90501-18576-00 Пружина 78грн.
Под заказ
14 4HC-15351-00-00 Пробка 559грн.
Под заказ
14 30X-15351-00-00 Пробка 568грн.
Под заказ
15 93210-347A1-00 Кольцо уплотнительное 78грн.
Под заказ
2 3Y6-13326-10-00 GEAR, PUMP DRIVEN 2 444грн.
Под заказ
2 3Y6-13326-01-00 Gear, Pump Driven 2 450грн.
Под заказ
3 93603-12030-00 Втулка 81грн.
Под заказ
4 93210-10096-00 Кольцо уплотнительное 78грн.
Под заказ
5 98517-06025-00 Винт 67грн.
Под заказ
5 98507-06025-00 Винт 67грн.
Под заказ
6 93210-06245-00 Прокладка 78грн.
Под заказ
7 98707-06025-00 Винт 72грн.
Под заказ
8 2UJ-13341-00-00 Шестерня, масляного насоса 496грн.
Под заказ
9 90201-10119-00 Шайба 73грн.
Под заказ