Warning: unlink(/home/allmoto/web/allmoto.parts/storage/cache/cache.ocfilter.price.1.1.1.1.2a3786cd4c5c7ed6d11173f7f4947767.1765887605): No such file or directory in /home/allmoto/web/allmoto.parts/public_html/system/library/cache/file.php on line 17 Схема узла: Крыло для Kawasaki VN900 Vulcan 900 Custom
Мы на связи пн-пт: 10:00 - 18:00

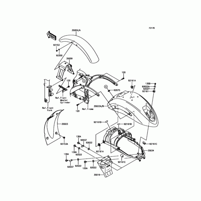
Схема узла: Крыло для Kawasaki VN900 Vulcan 900 Custom

Производители Kawasaki
Код Товара: VN900CHF
24603грн.
Под заказ
Детализация узла Крыло для Kawasaki VN900 Vulcan 900 Custom.

Детали поставляются под заказ в соответствии с условиями поставки оригинальных запчастей.

Все детали оригальные, их совместимость гарантирована производителем при условии правильной идентификации модели, года выпуска и отсутсвия предварительной модификации узла владельцем мотоцикла.

Написать отзыв
Примечание: HTML разметка не поддерживается! Используйте обычный текст.

Нет отзывов об этом товаре.

Модель Наименование Сумма Кол-во Доступность
120 120CA0825 BOLT-SOCKET,8X25 61грн.
Под заказ
130 130BB0616 BOLT-FLANGED,6X16 61грн.
Под заказ
130 130BA0814 BOLT-FLANGED,8X14 61грн.
Под заказ
130 130BB0622 BOLT,6X22 97грн.
Под заказ
35004 35004-0082-51B FENDER-FRONT,M.M.C.GR 6281грн.
Под заказ
35009 35009-0028 BRACE,FRONT FENDER 2032грн.
Под заказ
35019 35019-0014 Заслонка 995грн.
Под заказ
35023 35023-0073 FENDER-REAR,INNER 1083грн.
Под заказ
35023 35023-0106-51B FENDER-REAR,M.M.C.GRA 8661грн.
Под заказ
35034 35034-0086 REINFORCE,REAR FENDER 4192грн.
Под заказ
92022 92200-0283 WASHER,6.5X20X1.6 54грн.
Под заказ
92022 92022-1346 WASHER,6.5X20X1.6.BLA 69грн.
Под заказ
92022 92022-125 Шайба обыкновенная,6MM 58грн.
Под заказ
92027 92027-162 COLLAR,REAR FENDER 135грн.
Под заказ
92037 92037-1608 CLAMP 183грн.
Под заказ
92075 92075-1067 Демпфер боковой крышки 108грн.
Под заказ
92153 92153-1599 BOLT,6X20 58грн.
Под заказ
92153 92153-1527 BOLT,SOCKET,6X10 58грн.
Под заказ
92161 92161-0163 DAMPER,SIGNAL LAMP,FR 112грн.
Под заказ
92161 92161-0406 Дэмпфер 72грн.
Под заказ
92161 92161-0375 Дэмпфер 83грн.
Под заказ
92161 92161-0459 Дэмпфер 108грн.
Под заказ
92200 92200-1388 Шайба 69грн.
Под заказ