Мы на связи пн-пт: 10:00 - 18:00

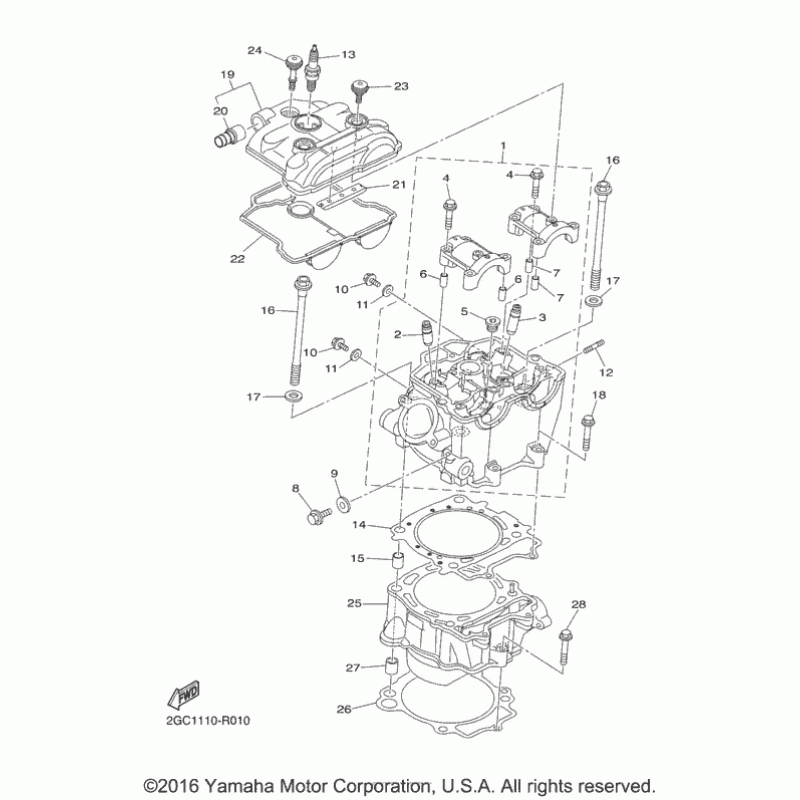
Схема узла: Цилиндр Yamaha YZ450F YZ450FX

Производители Yamaha
Код Товара: YZ450F YZ450FX
21242грн.
Под заказ
Детализация узла Цилиндр Yamaha YZ450F YZ450FX.

Детали поставляются под заказ в соответствии с условиями поставки оригинальных запчастей.

Все детали оригальные, их совместимость гарантирована производителем при условии правильной идентификации модели, года выпуска и отсутсвия предварительной модификации узла владельцем мотоцикла.

Написать отзыв
Примечание: HTML разметка не поддерживается! Используйте обычный текст.

Нет отзывов об этом товаре.

Модель Наименование Сумма Кол-во Доступность
1 1SL-11102-00-00 Голова цилиндра 21242грн.
Под заказ
10 95022-06010-00 Болт 74грн.
Под заказ
11 904-30060-14-00 Прокладка 66грн.
Под заказ
12 90116-06037-00 Болт 90грн.
Под заказ
13 CR8-E0000-00-00 Plug, Spark (Ngk Cr8E) 0грн.
Недоступно к заказу
13 NGK-CR8E0-10-00 Spark Plug Cr8E 0грн.
Недоступно к заказу
13 94703-00411-00 Свеча зажигания (NGK CR8E) 353грн.
Под заказ
13 CR9-E0000-00-00 CR9E NGK SPLUG 4PK (4-PACK) 0грн.
Недоступно к заказу
13 947-01004-10-00 Свеча зажигания (NGK R CR9E) 0грн.
Недоступно к заказу
13 94701-00411-00 Свеча зажигания (NGK R CR8E) 0грн.
Недоступно к заказу
14 33D-11181-00-00 Прокладка под головку цилиндра 1030грн.
Под заказ
15 93612-16254-00 Втулка 121грн.
Под заказ
16 901-05103-67-00 Болт 83грн.
Под заказ
17 90201-10025-00 Шайба 138грн.
Под заказ
18 95022-06035-00 Болт 73грн.
Под заказ
19 33D-11190-39-00 Крышка головки цилиндра 4485грн.
Под заказ
2 5PS-11133-10-00 Втулка клапана 1 1142грн.
Под заказ
20 2GC-1117J-10-00 Трубка 7 649грн.
Под заказ
21 5BE-12241-00-00 Направляющая 568грн.
Под заказ
22 33D-11193-01-00 Прокладка крышки 821грн.
Под заказ
23 5UM-1119E-00-00 Болт 231грн.
Под заказ
24 33D-1119E-00-00 Болт 506грн.
Под заказ
25 1SL-11311-00-00 Цилиндр 20751грн.
Под заказ
26 1SL-11351-00-00 Прокладка цилиндра 658грн.
Под заказ
27 99530-14016-00 Втулка 74грн.
Под заказ
29 1SL-W0001-00-00 GASKET KIT 2843грн.
Под заказ
3 5PS-11134-10-00 Втулка клапана 2 1138грн.
Под заказ
4 90105-06027-00 Болт 74грн.
Под заказ
5 90340-12007-00 Пробка 119грн.
Под заказ
6 91808-16023-00 Втулка центрующая 74грн.
Под заказ
8 95022-08012-00 Болт 74грн.
Под заказ
9 90201-08087-00 Шайба 109грн.
Под заказ
9 90430-08119-00 Прокладка 67грн.
Под заказ