Мы на связи пн-пт: 10:00 - 18:00

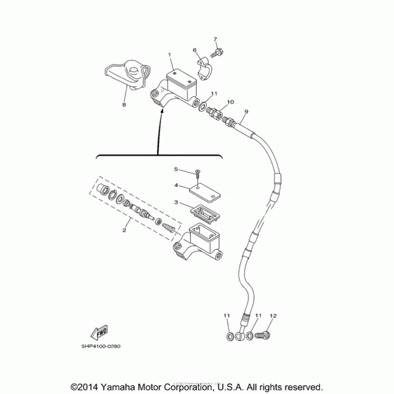
Схема узла: Передний тормозной цилиндр Yamaha TTR125 TT-R125

Производители Yamaha
Код Товара: TTR125 TT-R125
5124грн.
Под заказ
Детализация узла Передний тормозной цилиндр Yamaha TTR125 TT-R125.

Детали поставляются под заказ в соответствии с условиями поставки оригинальных запчастей.

Все детали оригальные, их совместимость гарантирована производителем при условии правильной идентификации модели, года выпуска и отсутсвия предварительной модификации узла владельцем мотоцикла.

Написать отзыв
Примечание: HTML разметка не поддерживается! Используйте обычный текст.

Нет отзывов об этом товаре.

Модель Наименование Сумма Кол-во Доступность
1 3SP-25870-01-00 Цилиндр тормозной главный 5124грн.
Под заказ
10 3LC-25885-00-00 Втулка 580грн.
Под заказ
11 902-01101-18-00 Шайба-прокладка 66грн.
Под заказ
11 90201-108J9-00 Шайба 66грн.
Под заказ
12 90401-10172-00 Болт-штуцер 101грн.
Под заказ
12 90401-10814-00 Болт-штуцер 119грн.
Под заказ
2 3SP-W0041-00-00 Детали тормозного цилиндра, комплект 1284грн.
Под заказ
3 56A-25854-00-00 Диафрагма 578грн.
Под заказ
4 2VN-25852-02-00 Стакан резервуара 661грн.
Под заказ
4 2VN-25852-01-00 Крышка 671грн.
Под заказ
5 98707-04012-00 Винт 72грн.
Под заказ
5 98706-04012-00 Винт 73грн.
Под заказ
6 56A-25867-00-00 Крепление 450грн.
Под заказ
7 95027-06025-00 Болт 69грн.
Под заказ
7 90105-060A0-00 Болт 81грн.
Под заказ
7 9502M-06025-00 Болт 70грн.
Под заказ
8 1B2-F6372-00-00 Кожух ручки 522грн.
Под заказ
9 1B2-25872-00-00 Шланг, тормоз 1 2680грн.
Под заказ