Мы на связи пн-пт: 10:00 - 18:00

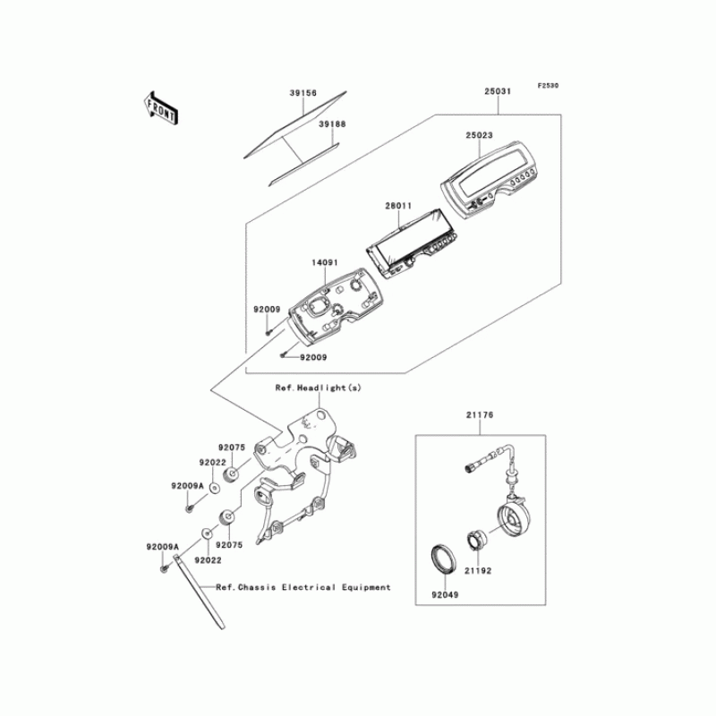
Схема узла: Meter(s) для Kawasaki KLX250 KLX250S

Производители Kawasaki
Код Товара: KLX250TEF
19656грн.
Под заказ
Детализация узла Meter(s) для Kawasaki KLX250 KLX250S.

Детали поставляются под заказ в соответствии с условиями поставки оригинальных запчастей.

Все детали оригальные, их совместимость гарантирована производителем при условии правильной идентификации модели, года выпуска и отсутсвия предварительной модификации узла владельцем мотоцикла.

Написать отзыв
Примечание: HTML разметка не поддерживается! Используйте обычный текст.

Нет отзывов об этом товаре.

Модель Наименование Сумма Кол-во Доступность
14091 14091-0874 COVER,METER,LWR 5282грн.
Под заказ
21176 21176-0757 センサ- 9044грн.
Под заказ
21192 21192-0004 MAGNET,SPEED SENSOR 714грн.
Под заказ
25023 25023-0036 Крышка измерителя, верхняя 4240грн.
Под заказ
25031 25031-0171 METER-ASSY,LCD 19656грн.
Под заказ
28011 28011-0108 METER,LCD 10078грн.
Под заказ
39156 39156-0478 PAD,HEAD LAMP 236грн.
Под заказ
39188 39188-0012 TAPE 172грн.
Под заказ
92009 92009-1197 Болт 97грн.
Под заказ
92009 92009-1164 Винт,3X16 97грн.
Под заказ
92022 92022-1405 Шайба,5.5X20X1.2 102грн.
Под заказ
92022 92022-104 WASHER,5.5X20X1.2 101грн.
Под заказ
92049 92049-1172 Сальник 392грн.
Под заказ
92075 92075-1690 Амортизатор 112грн.
Под заказ