Мы на связи пн-пт: 10:00 - 18:00

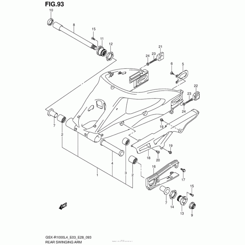
Схема узла: Задний рычаг подвески для Suzuki GSX-R1000

Производители Suzuki
Код Товара: GSX-R1000L4
33080грн.
Под заказ
Детализация узла Задний рычаг подвески для Suzuki GSX-R1000.

Детали поставляются под заказ в соответствии с условиями поставки оригинальных запчастей.

Все детали оригальные, их совместимость гарантирована производителем при условии правильной идентификации модели, года выпуска и отсутсвия предварительной модификации узла владельцем мотоцикла.

Написать отзыв
Примечание: HTML разметка не поддерживается! Используйте обычный текст.

Нет отзывов об этом товаре.

Модель Наименование Сумма Кол-во Доступность
1 61000-47H10-YAP SWINGINGARM ASSY,RR 0грн.
Недоступно к заказу
10 61214-42E10 NUT,RR SWGARM PIVOT BOLT 0грн.
Недоступно к заказу
11 61212-47H00 BOSS,RR SWINGINGARM PIVOT,R 0грн.
Недоступно к заказу
12 61213-41G00 NUT,RR SWGARM PIVOT BOSS,R 0грн.
Недоступно к заказу
13 61214-47H00 BOSS,RR SWINGINGARM PIVOT,L 1566грн.
Под заказ
14 61215-41G00 NUT,RR SWGARM PIVOT BOSS,L 0грн.
Недоступно к заказу
15 02122-0512B SCREW 57грн.
Под заказ
16 61273-47H00 BUFFER,CHAIN TOUCH DEFENSE 0грн.
Недоступно к заказу
17 09111-06072 BOLT(6X17.8) 74грн.
Под заказ
18 61311-21H00 КОЖУХ ЦЕПИ 589грн.
Под заказ
19 09111-06107 БОЛТ 57грн.
Под заказ
2 09263-27015 Bearing(27X35X35) 0грн.
Недоступно к заказу
2 09263-27013 BEARING(27X35X35) 488грн.
Под заказ
20 09409-08308-5ES ХОМУТ МАЛЫЙ 74грн.
Под заказ
21 61445-40F20 Adjuster, chain rh 567грн.
Под заказ
21 61445-40F00 ADJUSTER,CHAIN 0грн.
Недоступно к заказу
22 61446-40F00 НАТЯЖИТЕЛЬ ЦЕПИ 1066грн.
Под заказ
23 09100-08287 BOLT(8X50) 74грн.
Под заказ
24 08316-1008A Гайка вала 56грн.
Под заказ
3 09263-20070 BEARING(20X27X30) 509грн.
Под заказ
4 61281-41G00 SPACER,RR SWG PVT CTR 0грн.
Недоступно к заказу
5 61124-41G00 PLATE,RR SWING ARM BRKT 0грн.
Недоступно к заказу
6 09125-06060 Винт,6X12 64грн.
Под заказ
7 61251-41G00 Шайба, подшипник 563грн.
Под заказ
8 61211-41G00 SHAFT,RR SWINGINGARM PIVOT 0грн.
Недоступно к заказу
9 09159-20006 Гайка 464грн.
Под заказ